Curiosii for ever!
: Car repair manuals for everyone.
Home
>>
Pontiac
>>
2003
>>
Bonneville V6-3.8L SC VIN 1
>>
Repair and Diagnosis
>>
Cruise Control
>>
Relays and Modules - Cruise Control
>>
Cruise Control Module
>>
Locations
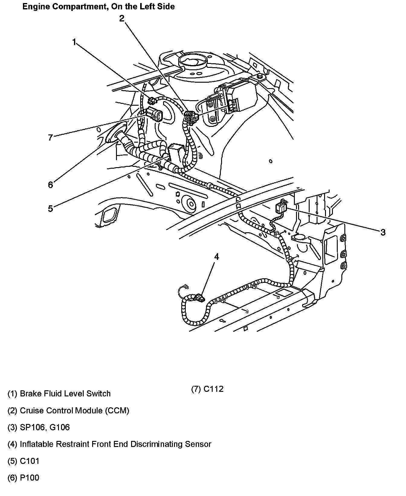
Cruise Control Module: Locations
Engine Compartment, On The Left Side:
Engine Compartment, On The Left Side: