Curiosii for ever!
: Car repair manuals for everyone.
Home
>>
Pontiac
>>
2002
>>
Grand Prix V6-3.8L VIN K
>>
Repair and Diagnosis
>>
Diagrams
>>
Components
>>
Relays
>>
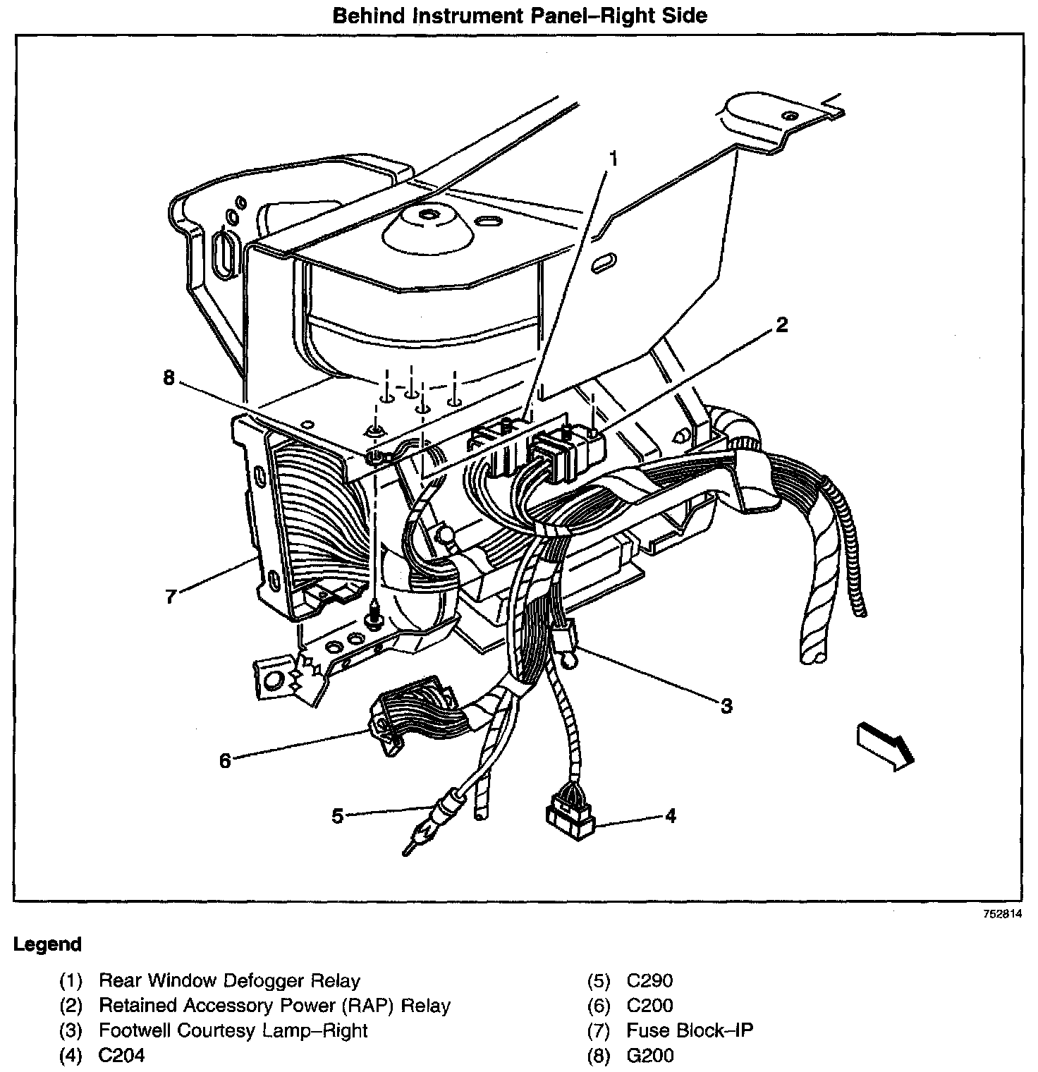
Rear Window Defogger Relay
Rear Window Defogger Relay
Locations View: