Curiosii for ever!: Car repair manuals for everyone.

Compressor Clutch Relay: Service and Repair

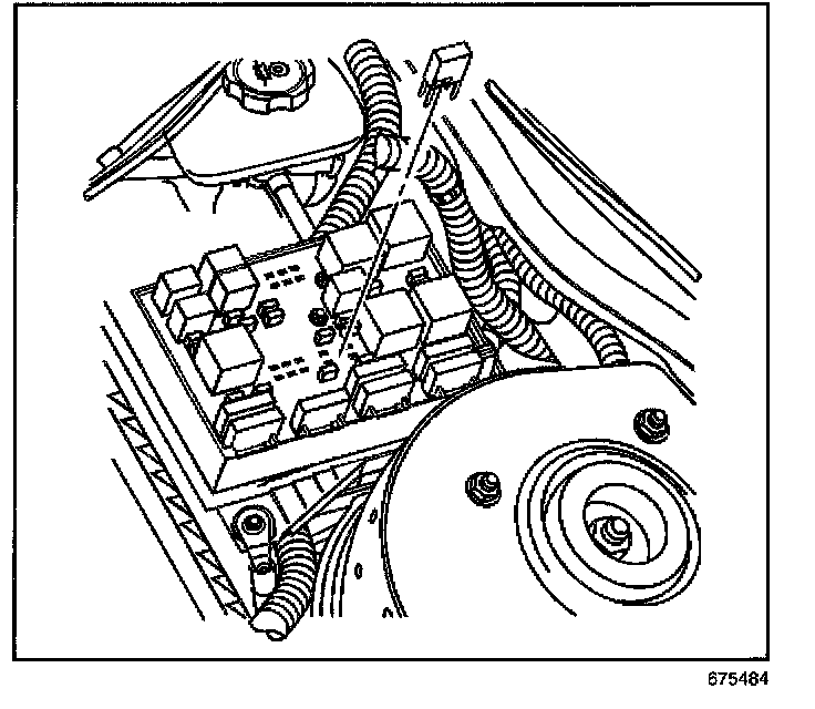
COMPRESSOR RELAY REPLACEMENT

REMOVAL PROCEDURE




1. Remove the electrical center cover.
2. Remove the A/C compressor control relay from the electrical center.

INSTALLATION PROCEDURE




1. Install the A/C compressor control relay to the electrical center.
2. Install the electrical center cover.