Curiosii for ever!: Car repair manuals for everyone.

Generator Replacement

REMOVAL PROCEDURE

CAUTION: Refer to Battery Disconnect Caution in Service Precautions.




1. Disconnect the negative battery cable.
2. Remove the accessory drive belt.
3. Disconnect the generator electrical connector.




4. Remove the positive cable from the generator:
^ Slide the boot back along the cable.
^ Remove the positive cable nut (at generator).
^ Remove the positive cable from the stud.
5. Remove the canister purge solenoid.




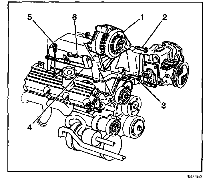
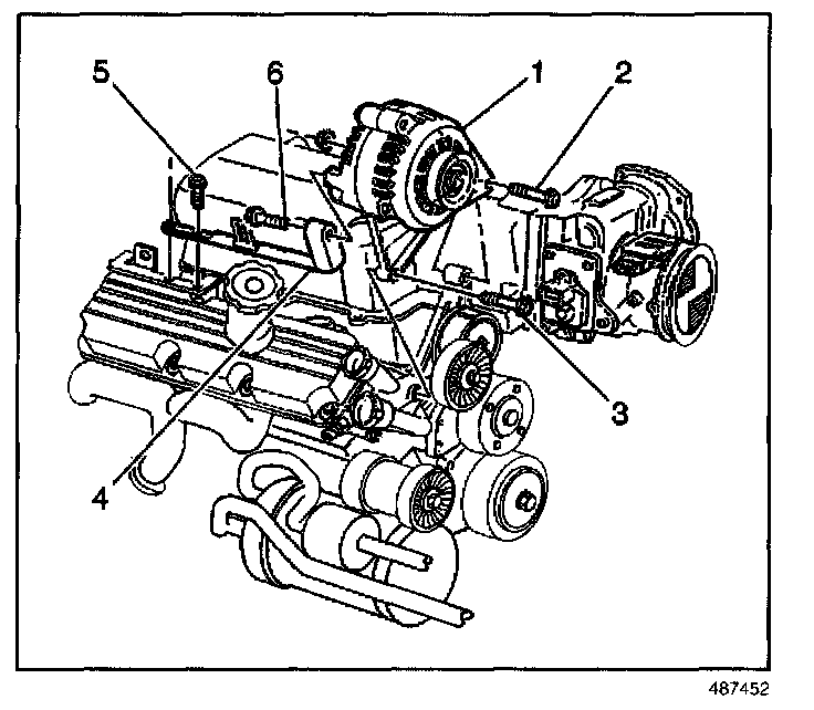
6. Remove the generator bolts (2, 3, 6).
7. Remove the generator (1).

INSTALLATION PROCEDURE




1. Install the generator (1).

NOTE: Refer to Fastener Notice in Service Precautions.

2. Install the generator bolts (2, 3, 6).

Tighten
^ Tighten the generator bolt (2, 6) to 30 N.m (22 lb ft).
^ Tighten the generator bolt (3) to 50 N.m (37 lb ft).

3. Install the canister purge solenoid.




4. Install the positive cable to the generator:
^ Install the positive cable to the stud.
^ Install the positive cable nut (at generator).

Tighten
Tighten the positive cable nut (at generator) to 22 N.m (16 lb ft).

^ Slide the boot over the generator stud.




5. Connect the electrical connector to the generator.
6. Install the accessory drive belt.
7. Connect the negative battery cable.