Curiosii for ever!
: Car repair manuals for everyone.
Home
>>
Pontiac
>>
2002
>>
Bonneville V6-3.8L SC VIN 1
>>
Repair and Diagnosis
>>
Locations
>>
Component Locations
>>
Modules
>>
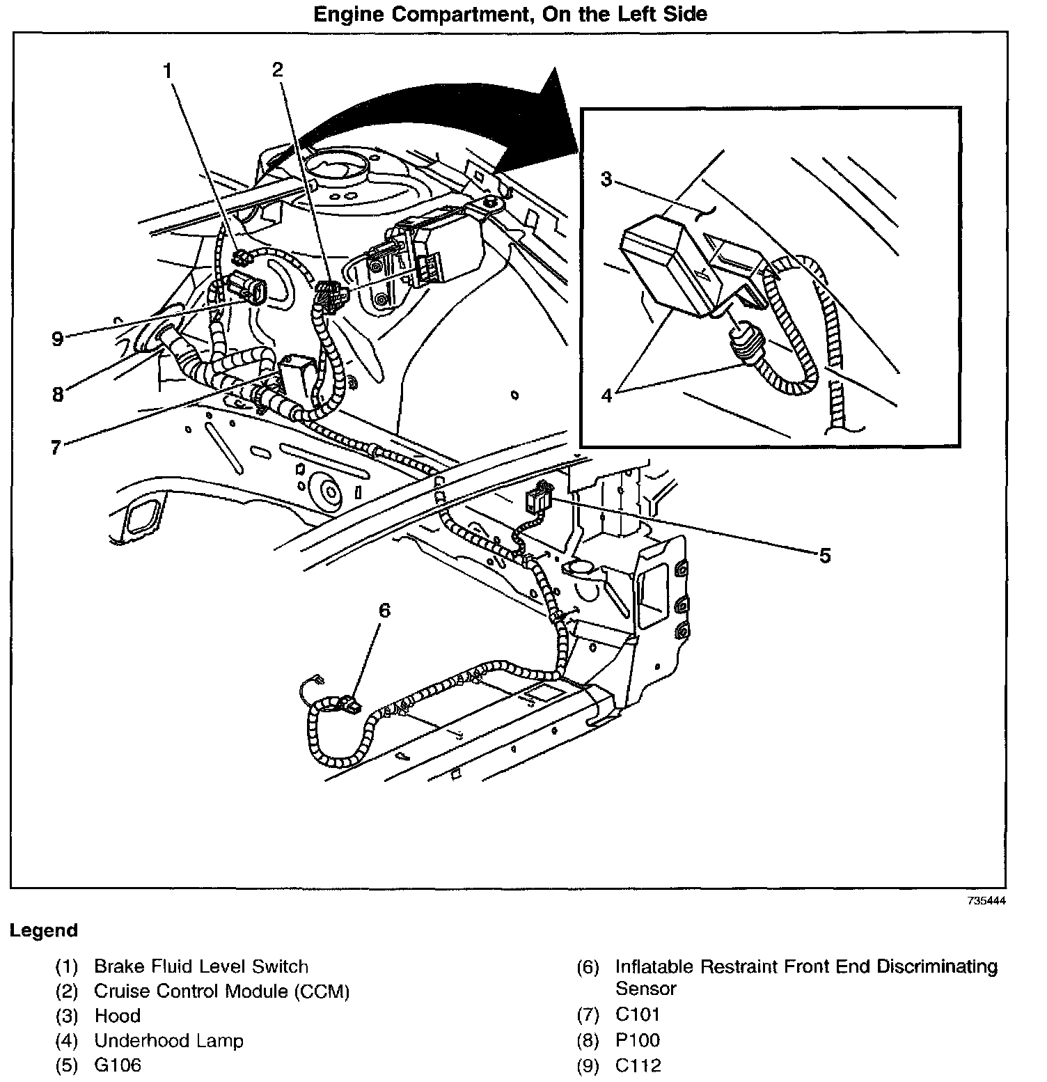
Cruise Control Module (CCM)
Cruise Control Module (CCM)
Locations View: