Ignition Control Module: Service and Repair
IGNITION CONTROL MODULE REPLACEMENTREMOVAL PROCEDURE
1. Turn the ignition OFF.
2. Disconnect the 14-way connector from the ignition control module (ICM).
3. Disconnect the spark plug wires from the coil assemblies. Before removing the wires, note the position of the wires.
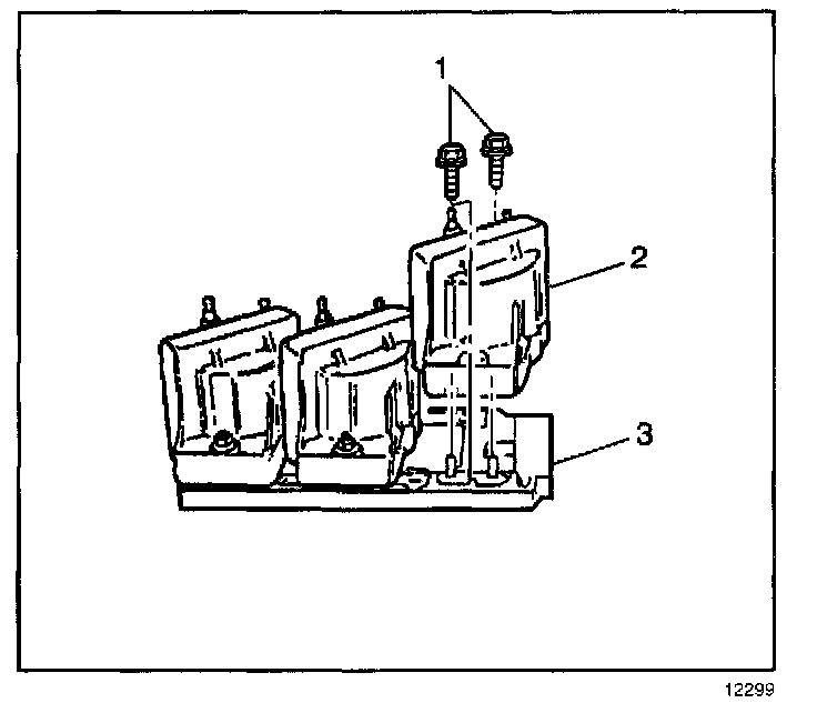
4. Remove the screws (1) that secure the coil assemblies (2) to the ICM (3).
5. Remove the coils (2) and the ICM (3) from the bracket.
INSTALLATION PROCEDURE
1. Attach the coils (2) and the ignition control module (3) to the bracket.
NOTE: Refer to Fastener Notice in Service Precautions.
2. Install the screws (1) that retain the ignition coils (2) and the ICM to the bracket.
Tighten
Tighten the screws to 4.5 N.m (40 lb in).
3. Connect the spark plug wires.
4. Connect the 14-way connector to the module.
Tighten
Tighten the screw to 2.1 N.m (19 lb in).