Curiosii for ever!
: Car repair manuals for everyone.
Home
>>
Pontiac
>>
2001
>>
Grand Prix V6-3.8L VIN K
>>
Repair and Diagnosis
>>
Powertrain Management
>>
Computers and Control Systems
>>
Transmission Position Sensor/Switch
>>
Locations
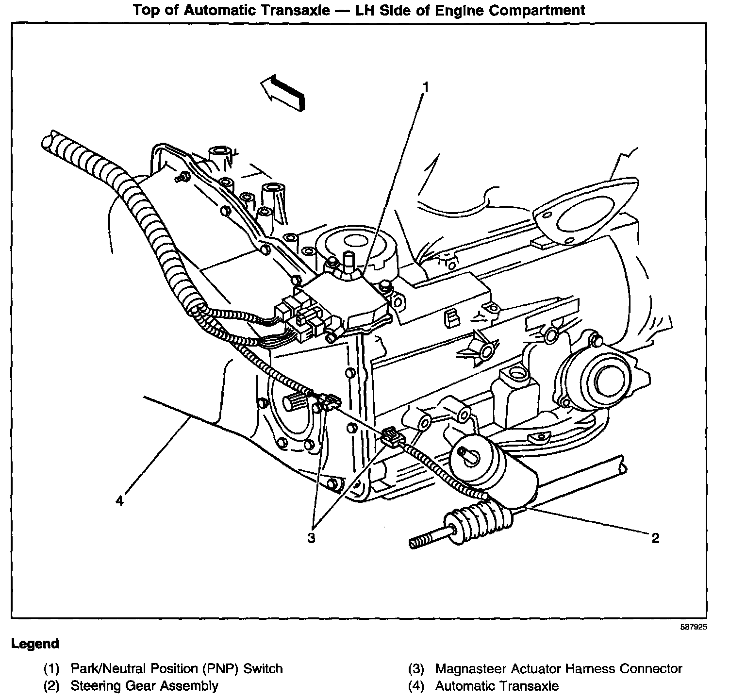
Transmission Position Sensor/Switch: Locations
Locations View: