Curiosii for ever!
: Car repair manuals for everyone.
Home
>>
Pontiac
>>
2001
>>
Grand Prix V6-3.8L VIN K
>>
Repair and Diagnosis
>>
Diagrams
>>
Components
>>
Modules
>>
Turn Signal/Hazard Flasher Module
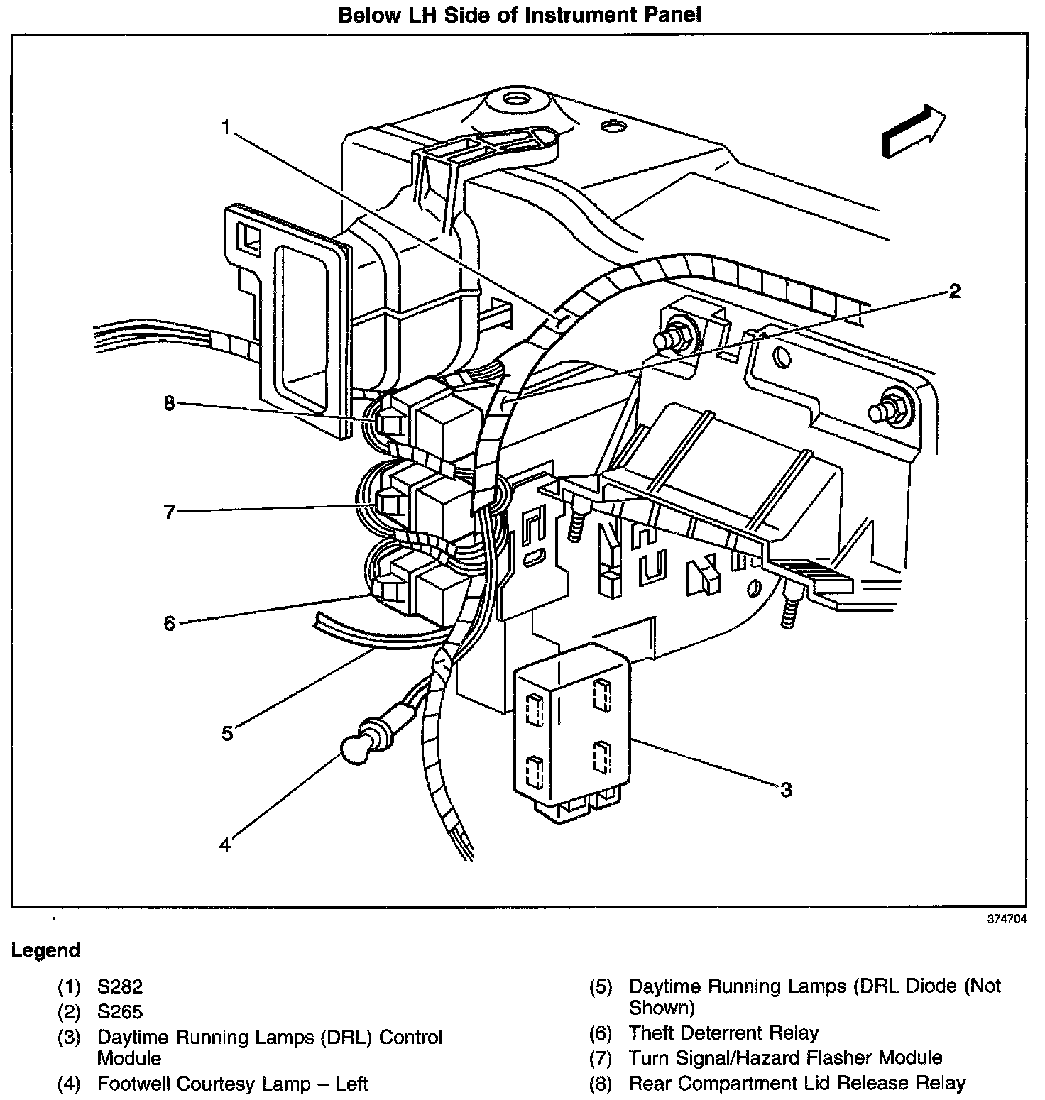
Turn Signal/Hazard Flasher Module
Locations View:
Locations View:
Locations View:
Below the left side of the IP, mounted to the leading face of the BCM mounting bracket