Curiosii for ever!
: Car repair manuals for everyone.
Home
>>
Pontiac
>>
2001
>>
Grand Prix V6-3.8L SC VIN 1
>>
Repair and Diagnosis
>>
Diagrams
>>
Components
>>
Miscellaneous Components
>>
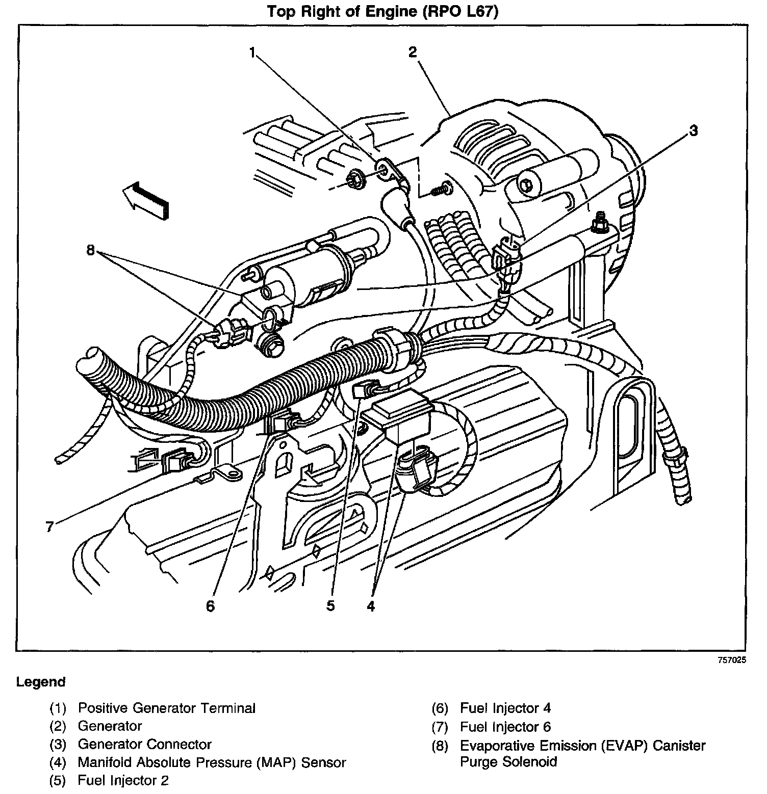
Generator
Generator
Locations View:
Top rear right side of the engine