Curiosii for ever!: Car repair manuals for everyone.

Control Assembly: Service and Repair

HVAC CONTROL ASSEMBLY REPLACEMENT

REMOVAL PROCEDURE




1. Remove the accessory trim plate. Refer to Trim Panel Replacement - IP Cluster (Oldsmobile) or Trim Panel Replacement - IP Cluster (Pontiac) in Instrument Panel, Gauges and Console.
2. Remove the two control assembly screws (1).
3. Remove the control assembly away from the instrument panel (2).




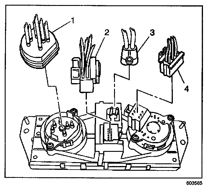
4. Disconnect the vacuum hose harness connector (1) from control assembly.
5. Disconnect the vacuum hose harness (two hose connector) (3) from the control assembly.
6. Disconnect the blower motor switch electrical connector (4) from the control assembly.
7. Disconnect the rear defroster control electrical connector (2) from the control assembly.

INSTALLATION PROCEDURE




1. Connect the vacuum hose harness connector (1) to control assembly.
2. Connect the vacuum hose harness (two hose connector) (3) to the control assembly. Secure the connector on the tab.
3. connect the blower motor switch electrical connector (4) to the control assembly.
4. Connect the rear defroster control electrical connector (2) to the control assembly.




5. Install the control assembly to the instrument panel (2).

NOTE: Refer to Fastener Notice in Service Precautions.

6. Install the control assembly retaining screws.

Tighten
Tighten the control assembly screws (1) to 2 N.m (18 lb in).

7. Install the accessory trim plate. Refer to Trim Panel Replacement - IP Cluster (Oldsmobile) or Trim Panel Replacement - IP Cluster (Pontiac) in Instrument Panel, Gauges and Console.