Curiosii for ever!
: Car repair manuals for everyone.
Home
>>
Pontiac
>>
2001
>>
Firebird V8-5.7L VIN G
>>
Repair and Diagnosis
>>
Diagrams
>>
Exploded Views
>>
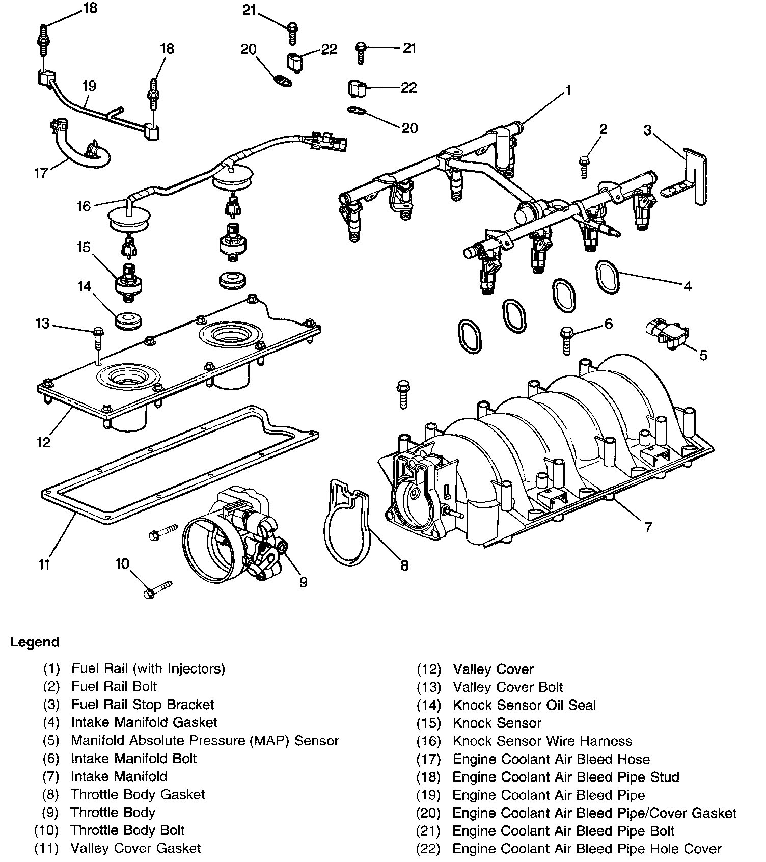
Engine
>>
Intake Manifold/Upper Engine
Intake Manifold/Upper Engine