Curiosii for ever!: Car repair manuals for everyone.

Electronic Brake Control Module: Service and Repair

Electronic Brake Control Module (EBCM) Replacement
Removal Procedure





Notice: To prevent equipment damage, never connect or disconnect the wiring harness connection from the EBCM with the ignition switch in the ON position.

1. Turn the ignition switch to the OFF position.
2. Pull out the lock tab from the EBCM harness connector.
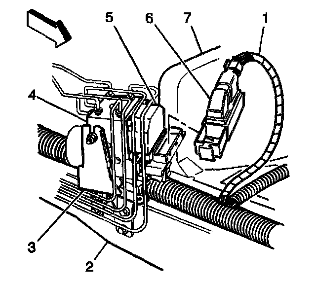
3. Disconnect the EBCM harness connector (6).





4. Disconnect the pump motor connector (3) at the bottom of the EBCM.

Important: Do not to damage the seal. Do not pry the seal apart using a tool.

Important: Do not damage the solenoid valves while removing the EBCM from the BPMV.

5. Remove the six screws (2) which secure the EBCM to the BPMV. Discard the screws.
6. Separate the EBCM (1) from the BPMV (5) by gently pulling apart until separated.





Important: Note the location and the orientation of the wave spring in order to aid during installation.

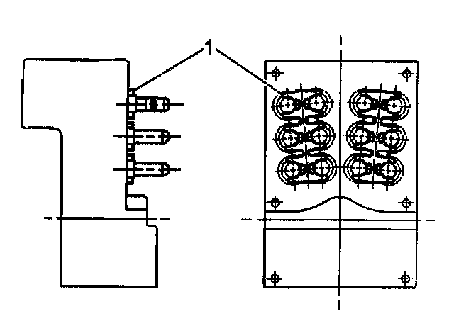
7. If the vehicle is equipped with ABS/TCS remove and discard two wave springs (1) between the EBCM and BPMV.





Important: Note the location and the orientation of the wave spring in order to aid during installation.

8. If the vehicle is equipped only with ABS, remove and discard one wave spring (1) between the EBCM and BPMV.

Installation Procedure

Important: Use only new wave springs and screws supplied with the new EBCM.

1. Clean the BPMV gasket surface with denatured alcohol using a clean rag.





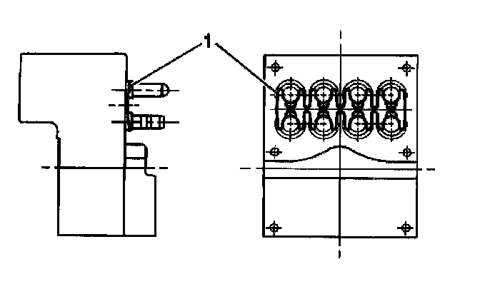
2. If the vehicle is equipped with ABS/TCS, install two wave springs (1) between the EBCM and BPMV. Use the locations and orientation noted during removal.





3. If the vehicle is equipped only with ABS, install one wave spring (1) between the EBCM and BPMV. Use the location and orientation noted during removal.

Notice: Refer to Fastener Notice in Service Precautions.





4. Install the EBCM (1) to the BPMV (5).
4.1. Tighten the top four mounting screws (2) to 2.9 Nm (26 inch lbs.). Tighten the screws in an X pattern.
4.2. Tighten the bottom two mounting screws (2) to 2.9 Nm (26 inch lbs.).
5. Connect the pump motor connector (3) to the bottom of the EBCM.





6. Connect the EBCM harness connector. Push in the lock tab.
7. Turn the ignition switch to the RUN position, with the engine off.
8. Perform Diagnostic System Check - ABS.