Curiosii for ever!: Car repair manuals for everyone.

Fuel Level Sensor: Service and Repair

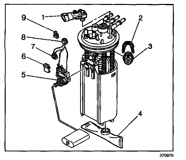
FUEL LEVEL SENSOR REPLACEMENT

REMOVAL PROCEDURE

IMPORTANT: Always maintain cleanliness when servicing fuel system components.




1. Relieve fuel system pressure. Refer to Fuel Pressure Relief Procedure.
2. Raise the vehicle. Refer to Lilting and Jacking the Vehicle.
3. Remove the fuel sender assembly.
4. Remove the fuel level sensor (8) from the modular fuel sender.

INSTALLATION PROCEDURE




1. Install the fuel level sensor (8) to modular fuel sender.
2. Install the fuel sender assembly.
3. Reinstall the fuel tank.