Curiosii for ever!: Car repair manuals for everyone.

Ignition Switch: Service and Repair



IGNITION SWITCH REPLACEMENT

REMOVAL PROCEDURE




1. Remove the Instrument panel cluster trim plate.
2. Remove the radio.
3. Remove the ignition lock cylinder.
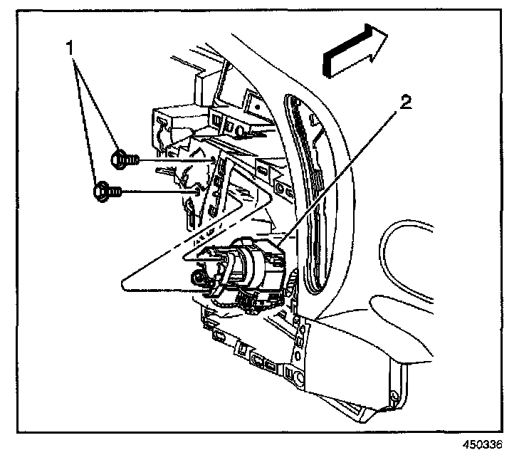
4. Remove the fasteners (1) from the ignition switch (2).
5. Push and release the retaining tab at the rear of the ignition switch.
6. Pull the ignition switch through the radio opening.




7. Disconnect electrical connectors (2) from ignition switch (1).
8. Remove the ignition switch bulb from the side of the switch.
9. Disconnect the shift/park lock cable from the ignition switch.

INSTALLATION PROCEDURE




1. Connect the electrical connectors (2).
2. Connect the shift/park lock cable.
3. Install the bulb to the side of the ignition switch.




4. Install ignition switch (2) by routing through the radio opening and position to the retainer.

NOTE Refer to Fastener Notice in Service Precautions.

5. Install the fasteners (1) securing the ignition switch to the IP retainer.

Tighten
Tighten the fasteners (1) to 9 Nm (80 lb in).

6. Install the ignition lock cylinder.
7. Install the radio.
8. Install the Instrument panel cluster trim plate.