Curiosii for ever!: Car repair manuals for everyone.

Electronic Brake Control Module: Service and Repair

Electronic Brake Control Module (EBCM) Replacement
Removal Procedure
1. Turn OFF the ignition.
2. Raise the vehicle. Refer to Vehicle Lifting.
3. Remove the left front wheel.
4. Remove the left front wheelhouse extension.

Important: The area around the Electronic Brake Control Module (EBCM) must be free from loose dirt to prevent contamination of disassembled ABS components.

5. Thoroughly wash all contaminants from around the EBCM.
6. Rotate the EBCM connector tab up to the unlocked position.





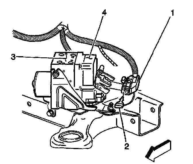
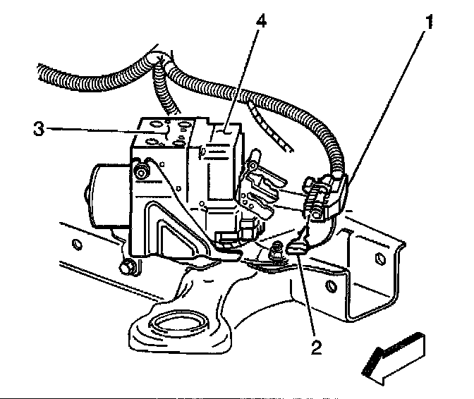
7. Remove the EBCM connector position assurance (2) from the EBCM electrical connector (1).

Notice: To prevent equipment damage, never connect or disconnect the wiring harness connection from the EBCM with the ignition switch in the ON position.

8. Remove the EBCM electrical connector (1) from the EBCM (4).





9. Remove the Brake Pressure Modulator Valve (BPMV) electrical connector (2) from the EBCM (3).





10. Remove the 6 EBCM to BPMV screws (2).
11. Clean the surface of the EBCM/BPMV assembly.

Important: The EBCM cannot be repaired. If faulty, the unit must be replaced.





12. Separate the EBCM (2) from the BPMV(1).

Installation Procedure
1. Clean the surface of the BPMV.





2. Install the EBCM (2) to the BPMV(1).

Notice: Refer to Fastener Notice in Service Precautions.





3. Install the 6 EBCM to BPMV screws (2).
- Tighten the 6 screws to 3.2 Nm (28 inch lbs.).





4. Install the BPMV electrical connector (2) to the EBCM (3).

Notice: To prevent equipment damage, never connect or disconnect the wiring harness connection from the EBCM with the ignition switch in the ON position.





5. Install the EBCM electrical connector (1) to the EBCM (4).
6. Install the connector position assurance (2) to the EBCM electrical connector (1).





7. Rotate the EBCM connector tab (2) down to the locked position.
8. Install the left front wheelhouse extension.
9. Install the left front wheel.
10. Lower the vehicle. Refer to Vehicle Lifting.

Important: An unprogrammed EBCM will result in the following conditions:
- Inoperative or poorly functioning DRP/ABS/TIM/VSES/TIM/VES (if equipped)
- Set DTC C1248 EBCM Turned On the Red Brake Warning Indicator
- Set DTC C1255m3 EBCM Internal Malfunction

11. If a replacement EBCM is being installed, it must be programmed using the latest software matching the vehicle. Programming and Relearning
12. Use the scan tool in order to clear DTCs.
13. Perform the ABS Diagnostic System Check. Refer to Diagnostic System Check-ABS.