Curiosii for ever!
: Car repair manuals for everyone.
Home
>>
Pontiac
>>
2001
>>
Bonneville V6-3.8L SC VIN 1
>>
Repair and Diagnosis
>>
Diagrams
>>
Electrical Diagrams
>>
Powertrain Management
>>
System Diagram
>>
Engine Controls
>>
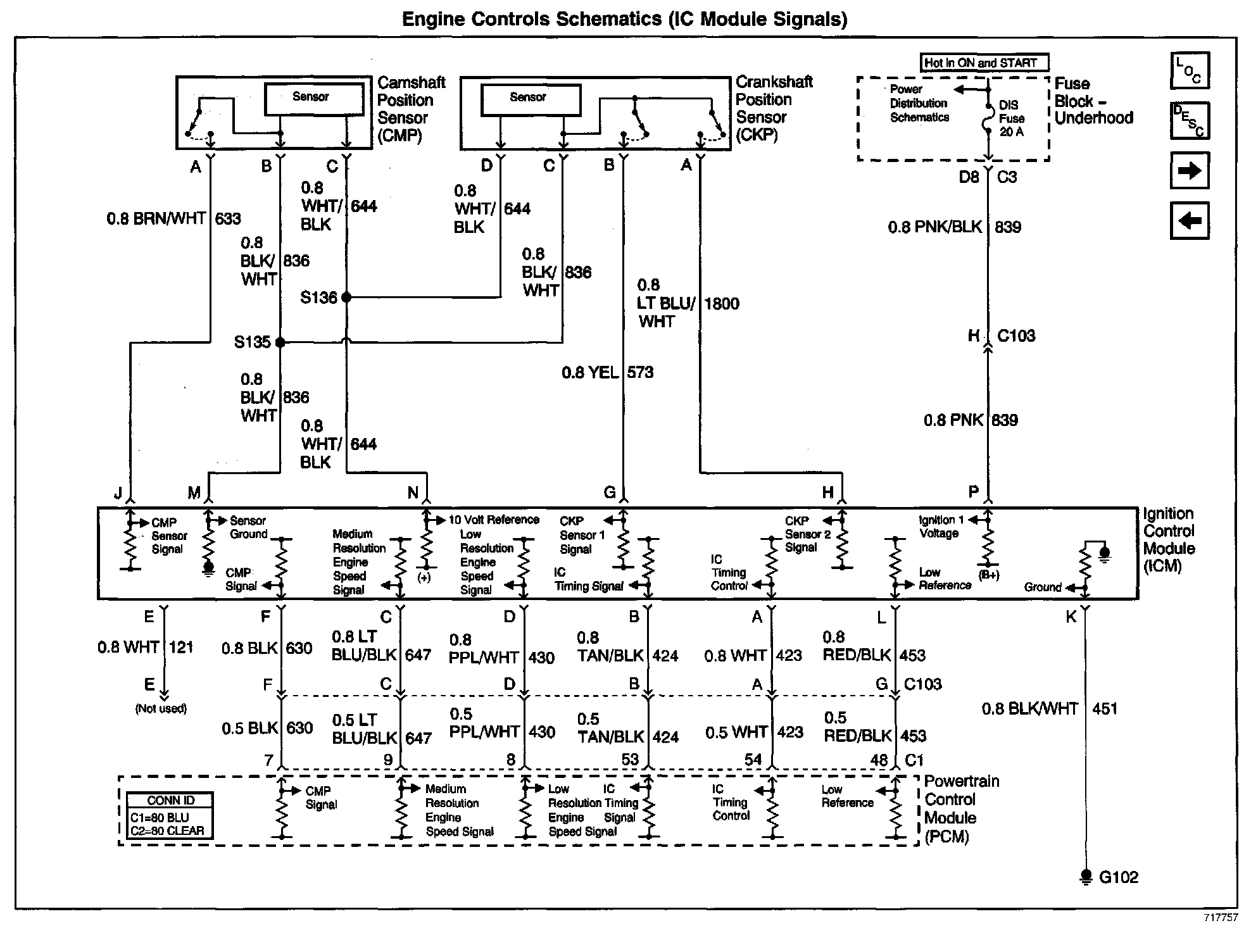
IC Module Signals
IC Module Signals
Engine Controls Schematics: IC Module Signals: