Curiosii for ever!: Car repair manuals for everyone.

Air Injection Control Valve: Service and Repair

REMOVAL PROCEDURE




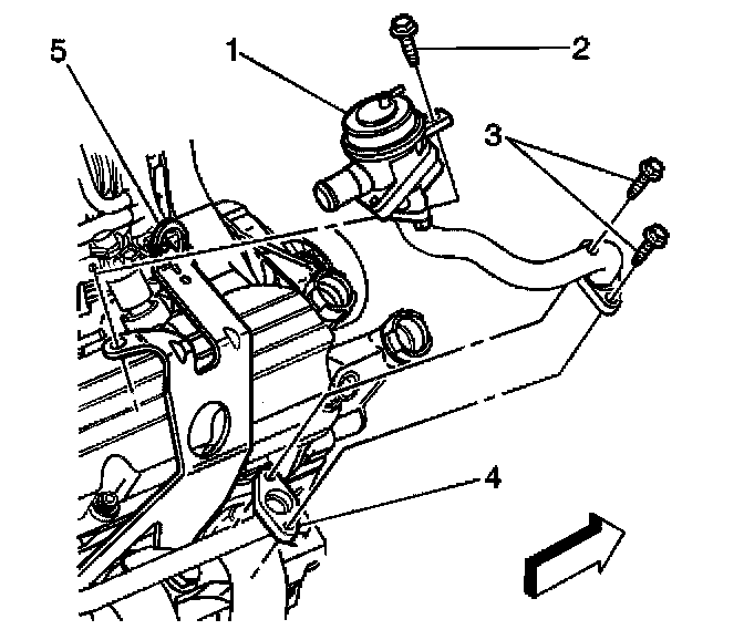
1. Disconnect the vacuum hose (4) from the combination valve.




2. Loosen and lower AIR pump exhaust hose pinch clamp (1).




3. Remove the 2 bolts (3) that attach the AIR pipe to the AIR manifold.
4. Remove the mounting bolt that secures the combination valve to the map sensor bracket (2).
5. Remove the AIR Combination Valve and AIR pipe as an assembly (1).

INSTALLATION PROCEDURE

NOTE: Refer to Fastener Notice in Service Precautions.




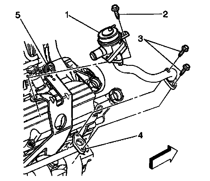
1. Install the bolt securing AIR Combination Valve and AIR pipe assembly onto the MAP sensor bracket (2).

Tighten
Tighten the mounting bolt to 9 N.m (80 lb in).

2. Install the 2 bolts (3) that attach the AIR pipe to the AIR manifold.

Tighten
Tighten the mounting bolts to 9 N.m (80 lb in).




3. Connect the AIR pump exhaust pipe (1) to the AIR Combination Valve.
4. Move the AIR pump exhaust hose pinch clamp back into position.




5. Connect the vacuum hose (4) to the combination valve.