Curiosii for ever!: Car repair manuals for everyone.

Manifold Pressure/Vacuum Sensor: Service and Repair




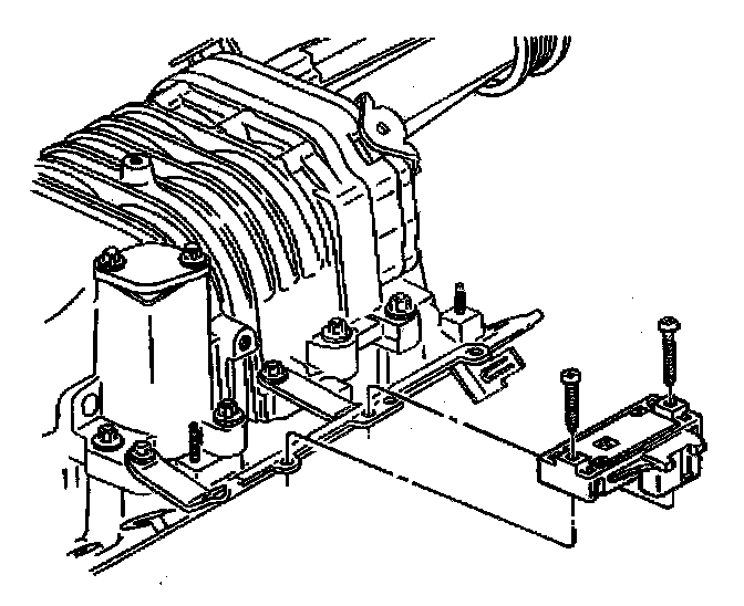
REMOVAL PROCEDURE
1. Remove the fuel injector sight shield.
2. Disconnect the negative battery cable.
3. Remove the screws.
4. Disconnect the MAP sensor electrical connector and vacuum hose from the sensor.
5. Remove the MAP sensor.

INSTALLATION PROCEDURE
1. Connect the electrical connector and vacuum hose to the MAP sensor.
2. Position the MAP sensor to the bracket and secure with the screws.
3. Reconnect the negative battery cable.
4. Install the fuel injector sight shield.