Curiosii for ever!: Car repair manuals for everyone.

A/C Compressor Control Circuit Diagnosis

Diagnostic Chart (Part 1 Of 3):




Diagnostic Chart (Part 2 Of 3):




Diagnostic Chart (Part 3 Of 3):




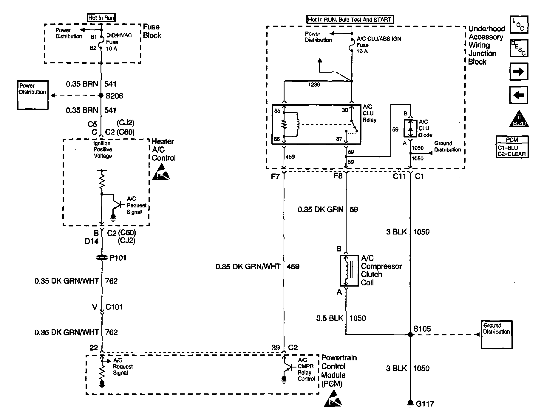
Engine Controls Schematics: Heater A/C Control and A/C Compressor Clutch Coil:






CIRCUIT DESCRIPTION
When A/C is selected through the A/C control head a 12.0 volt signal is supplied to the A/C request input of the PCM. The A/C compressor clutch relay is controlled through the PCM. The PCM monitors the A/C refrigerant pressure. If the A/C refrigerant pressure, and engine operating conditions are within a specific calibrated acceptable ranges the PCM will enable the A/C compressor relay. This is accomplished by providing a ground path for the A/C relay coil within the PCM. When the A/C compressor relay is enabled battery voltage is supplied to the compressor clutch coil.

The PCM will enable the A/C compressor clutch whenever the engine is running and the A/C has been requested, unless any of the following conditions are met:
^ Throttle greater than 96%.
^ A/C head pressure greater than 440 psi (4.27 volts) or less than 36 psi (0.35 volt) (as determined by the A/C refrigerant pressure sensor).
^ Ignition voltage below 10.0 volts.
^ Engine speed greater than 4700 RPM for 5 seconds or 5400 RPM.
^ ECT greater than 124°C (255°F).
^ IAT less than 5°C (41°F)

DIAGNOSTIC AIDS
Inspect for the following conditions:

IMPORTANT: Remove any debris from the connector surfaces before servicing a component. Inspect the connector gaskets when diagnosing or replacing a component. Ensure that the gaskets are installed correctly. The gaskets prevent contaminate intrusion.

^ Poor terminal connection.
Inspect the harness connectors for backed out terminals, improper mating, broken locks, improperly formed or damaged terminals, and faulty terminal to wire connection. Use a corresponding mating terminal test for proper tension. Refer to Diagrams for diagnosis and repair.
^ Damaged harness.
Inspect the wiring harness for damage. If the harness inspection does not reveal a problem, observe the display on the scan tool while moving connectors and wiring harnesses related to the sensor. A change in the scan tool display may indicate the location of the fault. Refer to Diagrams for diagnosis and repair. Inspect the PCM and the engine grounds for clean and secure connections.

If the DTC is determined to be intermittent, reviewing the Failure Records can be useful in determining when the DTC was last set.

TEST DESCRIPTION
The numbers below refer to numbers on the Diagnostic Table:

IMPORTANT: The A/C compressor clutch should not be engaged with the engine running if an A/C mode is not selected at the control head.

2. Stored Diagnostic Trouble Codes (That may not illuminate the Malfunction indicator Lamp) may disable the A/C compressor. This Diagnostic Table may lead to improper diagnosis and replacement of good parts if Diagnostic Trouble Codes are present.
3. The A/C compressor clutch should apply if the conditions under the Notice have been met.
6. Tests for an A/C request signal from the control head to the PCM.
12. Tests the ignition feed circuit to the A/C relay.
13. Determines whether the A/C relay or the circuitry is at fault.
21. Determines whether or not the PCM is turning the A/C relay on due to a false A/C request.
22. Isolates problem to the A/C control head or the PCM.