Curiosii for ever!: Car repair manuals for everyone.

Fuel Tank Pressure Sensor: Service and Repair

REMOVAL PROCEDURE

CAUTION: Refer to Battery Disconnect Caution in Service Precautions.




1. Disconnect the negative battery cable.
2. Remove the spare tire cover, the jack, and the spare tire.
3. Remove the trunk liner.
4. Remove the (7) nuts retaining the fuel sender access panel.
5. Remove the fuel sender access panel.




6. Disconnect the electrical connector from the fuel tank vapor pressure sensor.
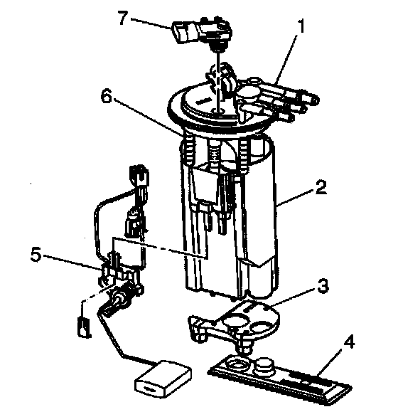
7. Remove the fuel tank vapor pressure sensor (7) from modular fuel sender assembly.

INSTALLATION PROCEDURE




1. Reinstall the new fuel tank vapor pressure sensor (7) to modular fuel sender.
2. Connect the electrical connector to fuel tank vapor pressure sensor




3. Reinstall the fuel sender access panel.

NOTE: Refer to Fastener Notice in Service Precautions.

4. Reinstall the (7) nuts retaining the fuel sender access panel.

Tighten
Tighten the fuel sender access panel nuts to 10 N.m (8 lb ft)

5. Reinstall the trunk liner.
6. Reinstall the spare tire, the jack, and the spare tire cover.
7. Reconnect the negative battery cable.