Curiosii for ever!
: Car repair manuals for everyone.
Home
>>
Pontiac
>>
2000
>>
Bonneville V6-3.8L VIN K
>>
Repair and Diagnosis
>>
Diagrams
>>
Electrical Diagrams
>>
Power Locks
>>
Door Control Module Schematics
>>
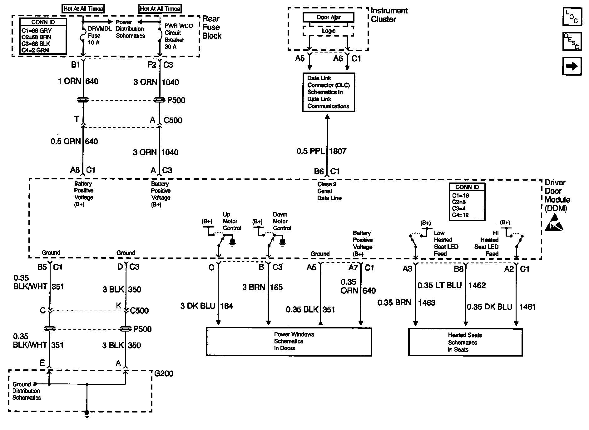
Driver Door Module (DDM) Power and Ground
Driver Door Module (DDM) Power and Ground
Door Control Module Schematics: Driver Door Module (DDM) Power And Ground: