Curiosii for ever!: Car repair manuals for everyone.

Manifold Pressure/Vacuum Sensor: Service and Repair

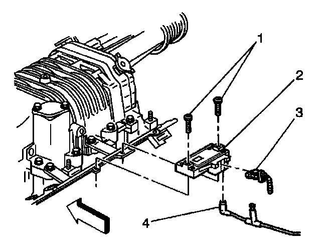
REMOVAL PROCEDURE




1. Turn OFF the ignition.
2. Remove the fuel injector sight shield.




3. Remove the 2 bolts (1) from the Manifold Absolute Pressure (MAP) sensor (2).
4. Disconnect the electrical connector (3) from the MAP sensor (2).
5. Disconnect the vacuum hose (4) from the MAP sensor.
6. Remove the MAP sensor from the engine.

INSTALLATION PROCEDURE




1. Connect the electrical connector (3) to the MAP sensor (2).
2. Connect the vacuum hose (4) to the MAP sensor.

NOTE: Refer to Fastener Notice.

3. Position the MAP sensor to the bracket and secure the sensor with the bolts (1).

Tighten
Tighten the bolts to 3 N.m (27 lb in)




4. Install the fuel injector sight shield.