Curiosii for ever!
: Car repair manuals for everyone.
Home
>>
Pontiac
>>
2000
>>
Bonneville V6-3.8L SC VIN 1
>>
Repair and Diagnosis
>>
Locations
>>
Component Locations
>>
Miscellaneous Components
>>
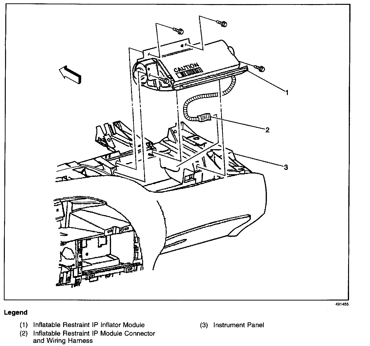
Inflatable Restraint IP Inflator Module
Inflatable Restraint IP Inflator Module
Locations View: