Curiosii for ever!
: Car repair manuals for everyone.
Home
>>
Pontiac
>>
2000
>>
Bonneville V6-3.8L SC VIN 1
>>
Repair and Diagnosis
>>
Diagrams
>>
Components
>>
Modules
>>
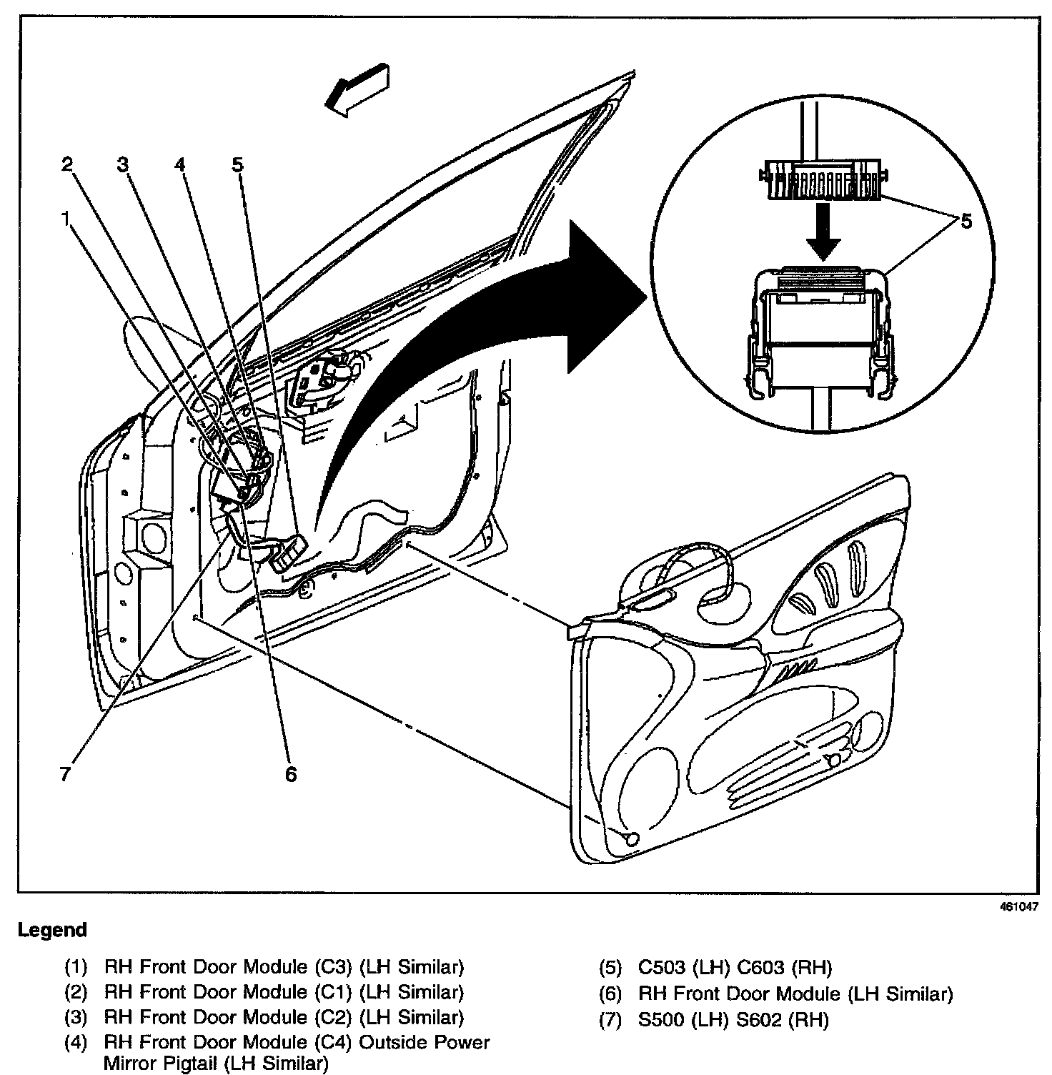
Door Module, RH Front (LH Similar)
Door Module, RH Front (LH Similar)
Locations View: