Curiosii for ever!
: Car repair manuals for everyone.
Home
>>
Pontiac
>>
2000
>>
Bonneville V6-3.8L SC VIN 1
>>
Repair and Diagnosis
>>
Cruise Control
>>
Cruise Control Module
>>
Diagrams
>>
Electrical Diagrams
>>
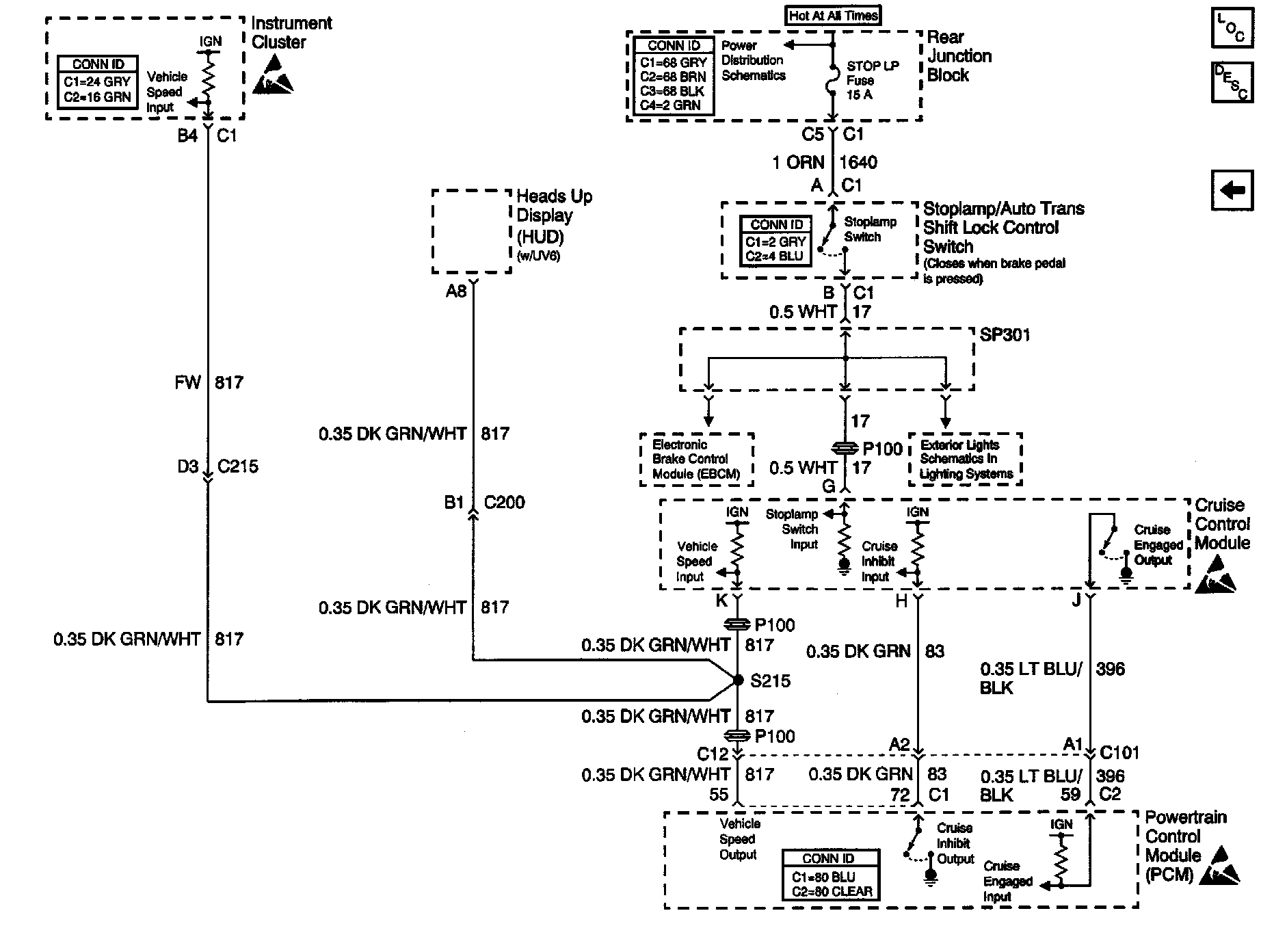
CCM, PCM Controls and Vehicle Speed Input
CCM, PCM Controls and Vehicle Speed Input
Cruise Control Schematics: CCM, PCM Controls And Vehicle Speed Input: