Curiosii for ever!
: Car repair manuals for everyone.
Home
>>
Pontiac
>>
1999
>>
Grand Prix V6-3.8L VIN K
>>
Repair and Diagnosis
>>
Relays and Modules
>>
Relays and Modules - Restraints and Safety Systems
>>
Air Bag Control Module
>>
Service and Repair
>>
First Repair
First Repair
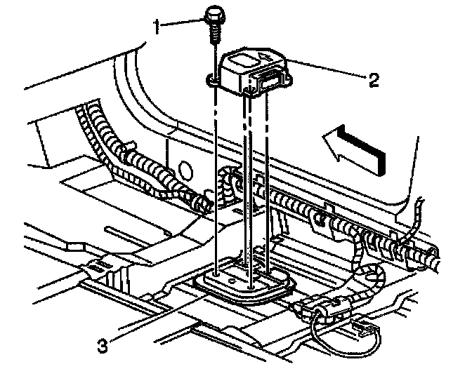
1.
Remove the stripped fastener and discard it.
Notice:
Refer to Fastener Notice in Cautions and Notices.
2.
Install the
SDM
with new fastener GM PIN 10156138.
Tighten
Tighten fastener to
10 N.m (89 lb in).