Curiosii for ever!: Car repair manuals for everyone.

Electronic Brake Control Module: Service and Repair

REMOVAL PROCEDURE

NOTICE: To prevent equipment damage, never connect or disconnect the wiring harness connection from the EBCM with the ignition switch in the ON position.

1. Turn the ignition switch to the OFF position.





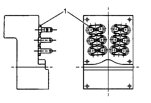
2. Pull out lock tab from the EBTCM harness connector (1).
3. Disconnect the EBTCM harness connector.





4. Disconnect the pump motor connector (3) at the bottom of the EBTCM.
5. Remove the six EBTCM to BPMV screws (2) and discard.

IMPORTANT: Be careful not to damage seal. Do not pry apart using a tool.

IMPORTANT: Care must be taken not to damage the solenoid valves when the EBTCM is removed from the BPMV.

6. Separate the EBTCM (1) from the BPMV (5) by gently pulling apart until separated.

IMPORTANT: Note the location and the orientation of the wave spring in order to aid during installation.





7. If equipped with ABS/ETS, remove one wave spring (1) between the EBTCM and BPMV and discard.

IMPORTANT: Note the location and the orientation of the wave springs in order to aid during installation.






8. If equipped with ABS/TCS remove two wave springs (1) between the EBTCM and BPMV and discard.

INSTALLATION PROCEDURE

IMPORTANT: Only the new wave spring(s) and screws supplied with the new EBTCM should be used.

1. Clean the BPMV gasket surface with alcohol using a clean rag.





2. If equipped with ABS/ETS, install one wave spring (1) between the EBTCM and BPMV.
Use location and orientation noted during removal.





3. If equipped with ABS/TCS, install two wave springs (1) between the EBTCM and BPMV
Use locations and orientation noted during removal.

NOTICE: Refer to Fastener Notice in Service Precautions.





4. Install the EBTCM (1) to the BPMV (5).

Tighten the top four mounting screws (2) to 2.9 Nm (26 inch lbs.). Tighten screws in an X pattern.
Tighten the bottom two mounting screws (2) to 2.9 Nm (26 inch lbs.).

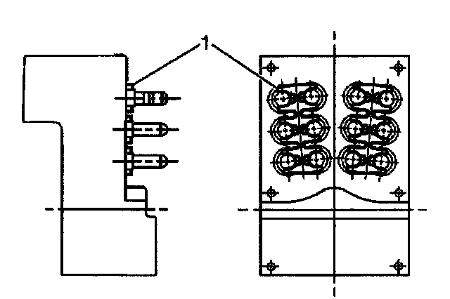
5. Connect the pump motor connector (3) to the bottom of the EBTCM.





6. Connect the EBTCM harness connector. Push in lock tab (1).
7. Turn the ignition switch to the RUN position, engine off.
8. Perform the A Diagnostic System Check - ABS