Curiosii for ever!
: Car repair manuals for everyone.
Home
>>
Pontiac
>>
1999
>>
Grand Prix V6-3.8L SC VIN 1
>>
Repair and Diagnosis
>>
Powertrain Management
>>
Relays and Modules - Powertrain Management
>>
Relays and Modules - Computers and Control Systems
>>
Engine Control Module
>>
Locations
>>
Connector Locations
>>
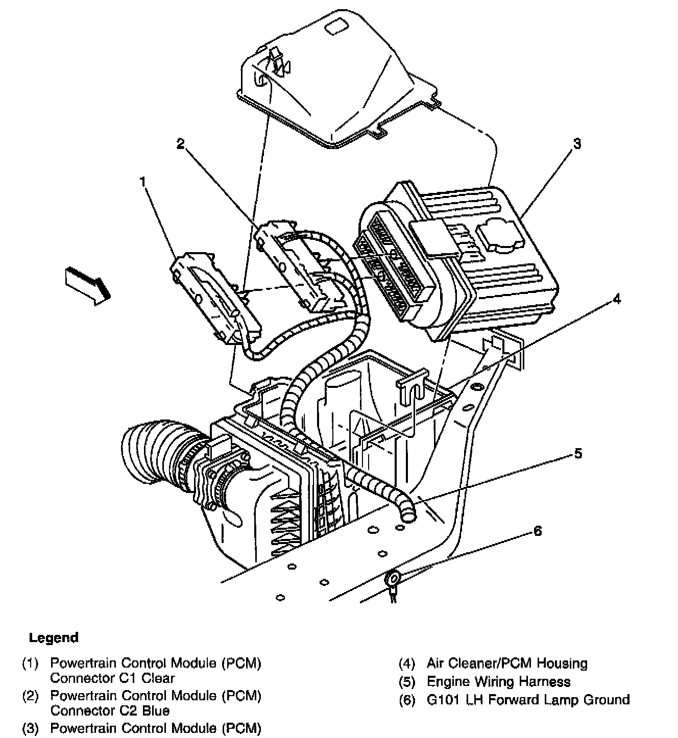
Powertrain Control Module (PCM) Connector C2 Blue
Powertrain Control Module (PCM) Connector C2 Blue
Powertrain Control Module - LH Side Of Engine Compartment: