Curiosii for ever!
: Car repair manuals for everyone.
Home
>>
Pontiac
>>
1999
>>
Grand Prix V6-3.8L SC VIN 1
>>
Repair and Diagnosis
>>
Locations
>>
Component Locations
>>
Modules
>>
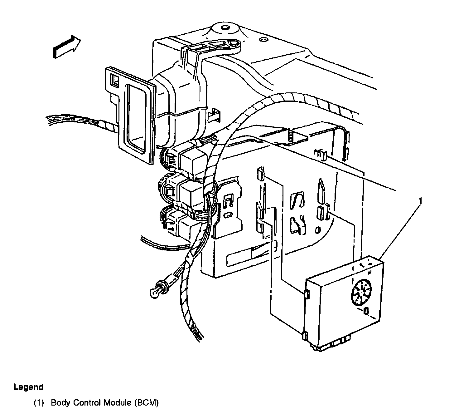
Body Control Module (BCM)
Body Control Module (BCM)
Left Lower Side Of Instrument Panel:
Below the left side of the IP, left of the steering column