Curiosii for ever!: Car repair manuals for everyone.

Keyless Entry Receiver: Service and Repair




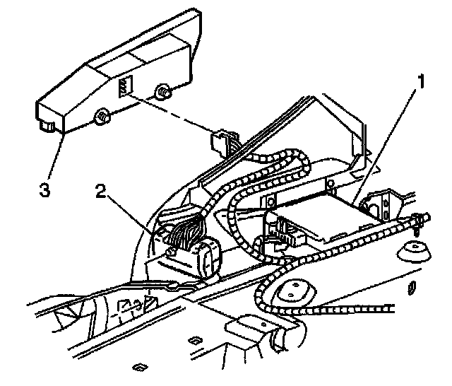
REMOVAL PROCEDURE
1. Remove the Driver Information Center (DIC)/trip calculator.
2. Remove the remote control door lock receiver (1) from the air distribution duct by releasing the snap tabs.
3. Disconnect the electrical connector (2) of the remote control door lock receiver (1).

INSTALLATION PROCEDURE
1. Connect the electrical connector (2) of the remote control door lock receiver (1).
2. Install the remote control door lock receiver (1) to the air distribution duct by engaging the snap tabs.
3. Install the driver information center (DIC)/trip calculator.