Curiosii for ever!
: Car repair manuals for everyone.
Home
>>
Pontiac
>>
1999
>>
Firebird V6-3.8L VIN K
>>
Repair and Diagnosis
>>
Powertrain Management
>>
Computers and Control Systems
>>
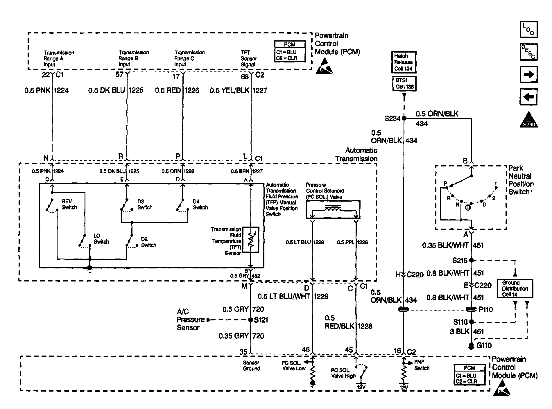
Transmission Position Sensor/Switch
>>
Diagrams
>>
Electrical Diagrams
Electrical Diagrams