Curiosii for ever!
: Car repair manuals for everyone.
Home
>>
Pontiac
>>
1998
>>
Grand Prix V6-3.8L VIN K
>>
Repair and Diagnosis
>>
Diagrams
>>
Components
>>
Switches
>>
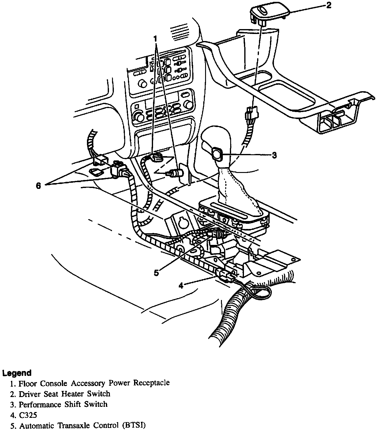
Performance Shift Switch
Performance Shift Switch
Center Console: