Curiosii for ever!: Car repair manuals for everyone.

Fuel Level Sensor: Service and Repair






CAUTION: Always maintain cleanliness when servicing fuel system components.


REMOVAL PROCEDURE
1. Relieve fuel system pressure. Refer to Fuel Pressure Release Procedure.
2. Remove the modular fuel sender assembly. Refer to Fuel Sender Assembly Replacement.
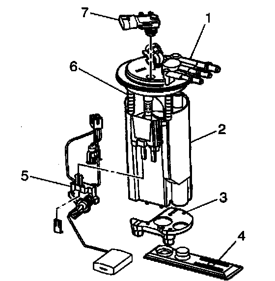
3. Remove the fuel level sensor (5) from the modular fuel sender.

INSTALLATION PROCEDURE
1. Install the fuel level sensor (5) to modular fuel sender.
2. Install the fuel sender assembly. Refer to Fuel Sender Assembly Replacement.
3. Inspect for fuel leaks through the following steps:
a. Turn the ignition switch to the ON position for two seconds
b. Turn the ignition switch to the OFF position for ten seconds.
c. Turn the ignition switch to the ON position
d. Visually inspect the fuel system for fuel leaks.