Curiosii for ever!
: Car repair manuals for everyone.
Home
>>
Pontiac
>>
1998
>>
Grand Prix V6-3.8L SC VIN 1
>>
Repair and Diagnosis
>>
Powertrain Management
>>
Computers and Control Systems
>>
Engine Control Module
>>
Locations
>>
Connector Locations
>>
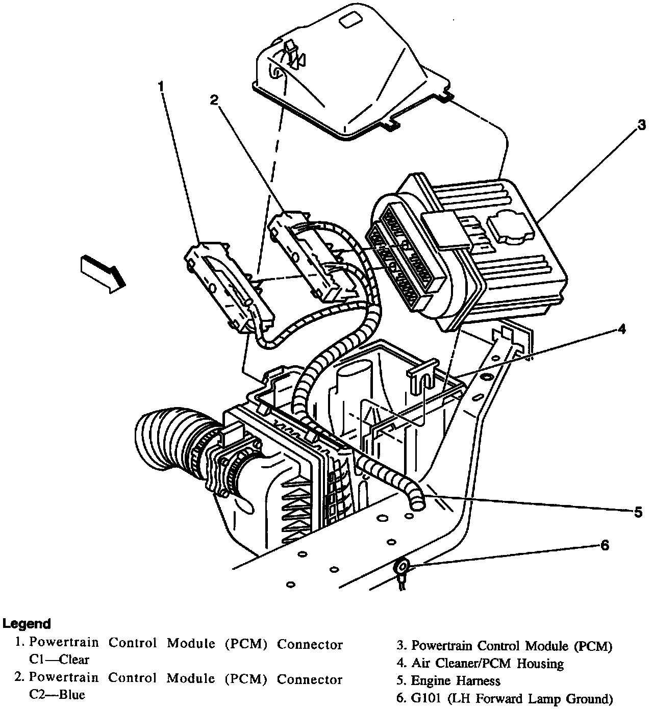
C1-Clear
C1-Clear
LH Side Of Engine Compartment: