Curiosii for ever!
: Car repair manuals for everyone.
Home
>>
Pontiac
>>
1998
>>
Grand Prix V6-3.8L SC VIN 1
>>
Repair and Diagnosis
>>
Diagrams
>>
Components
>>
Miscellaneous Components
>>
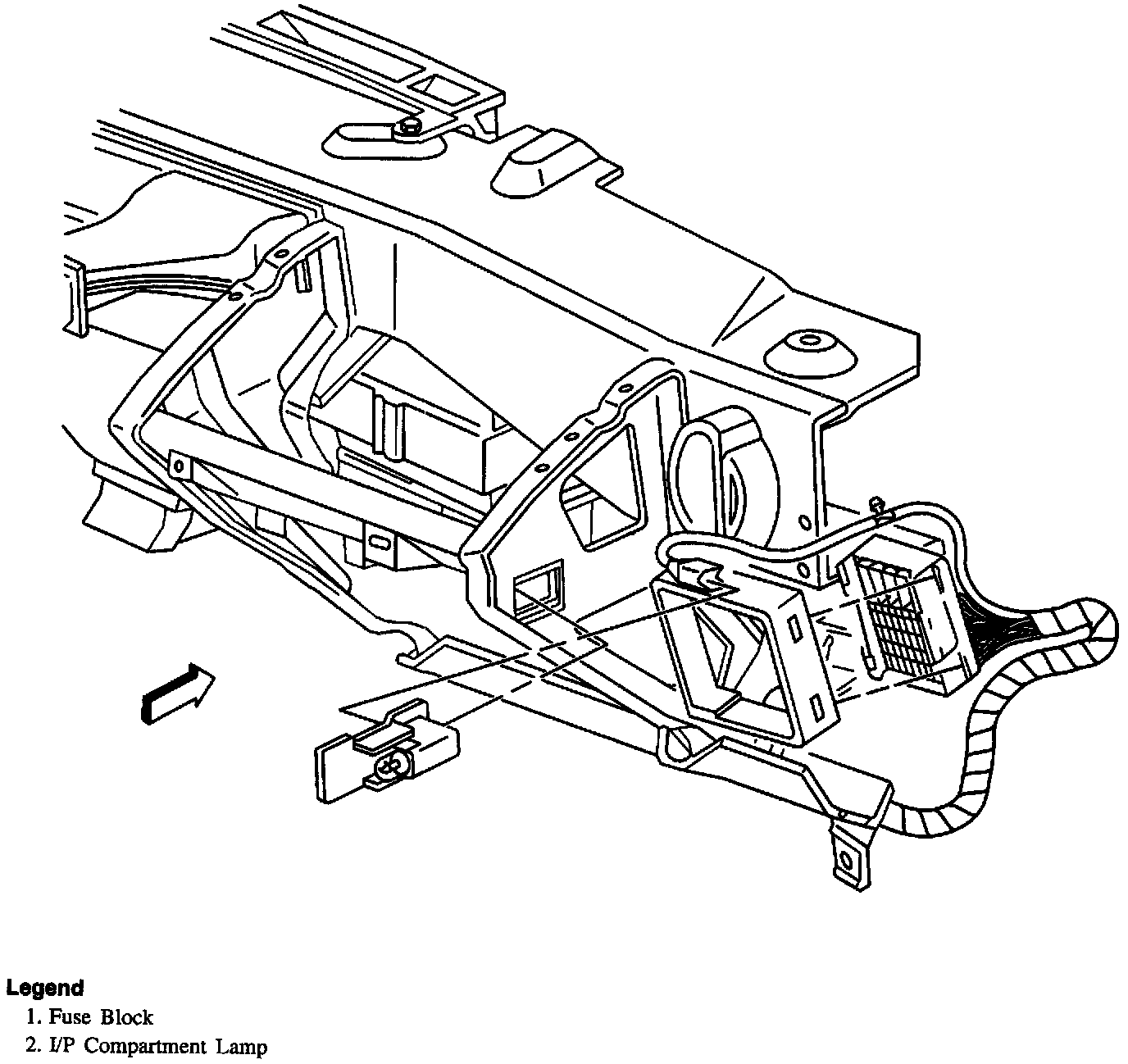
Fuse Block
Fuse Block
Behind RH Side Of I/P:
RH Side Of I/P:
Right side of the IP, in the IP compartment opening