Curiosii for ever!: Car repair manuals for everyone.

Manifold Pressure/Vacuum Sensor: Service and Repair

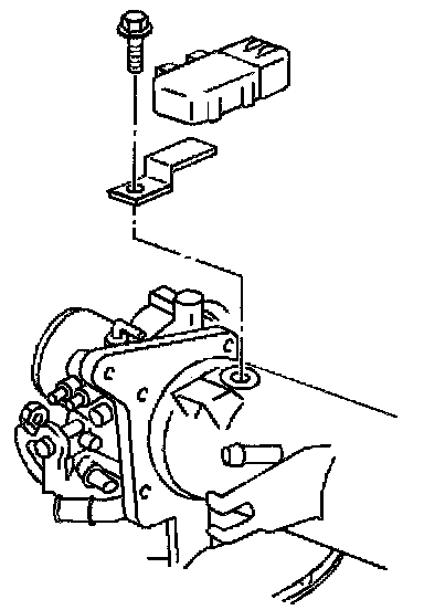
Removal Procedure





1. Remove the manifold absolute pressure (MAP) sensor bracket bolt.
2. Lift the MAP sensor from the intake plenum.
3. Disconnect the MAP sensor electrical connector.
4. Remove the MAP sensor from the MAP sensor bracket.

Installation Procedure





1. Install the MAP sensor to the MAP sensor bracket.
2. Connect the MAP sensor electrical connector.
3. Install the MAP sensor to the vacuum port of the intake plenum.
4. Install the MAP sensor bracket bolt.

Tighten
Tighten the MAP sensor bracket bolt to 10 N.m (89 lb in).

Notice: Refer to Fastener Notice in Cautions and Notices.