Cruise Control Servo Cable: Service and Repair
Cruise Control Cable Routing:
Accelerator Control Cable Splash Shield:
Cruise Control Cable To Throttle Bracket:
Cruise Control Cable To Module:
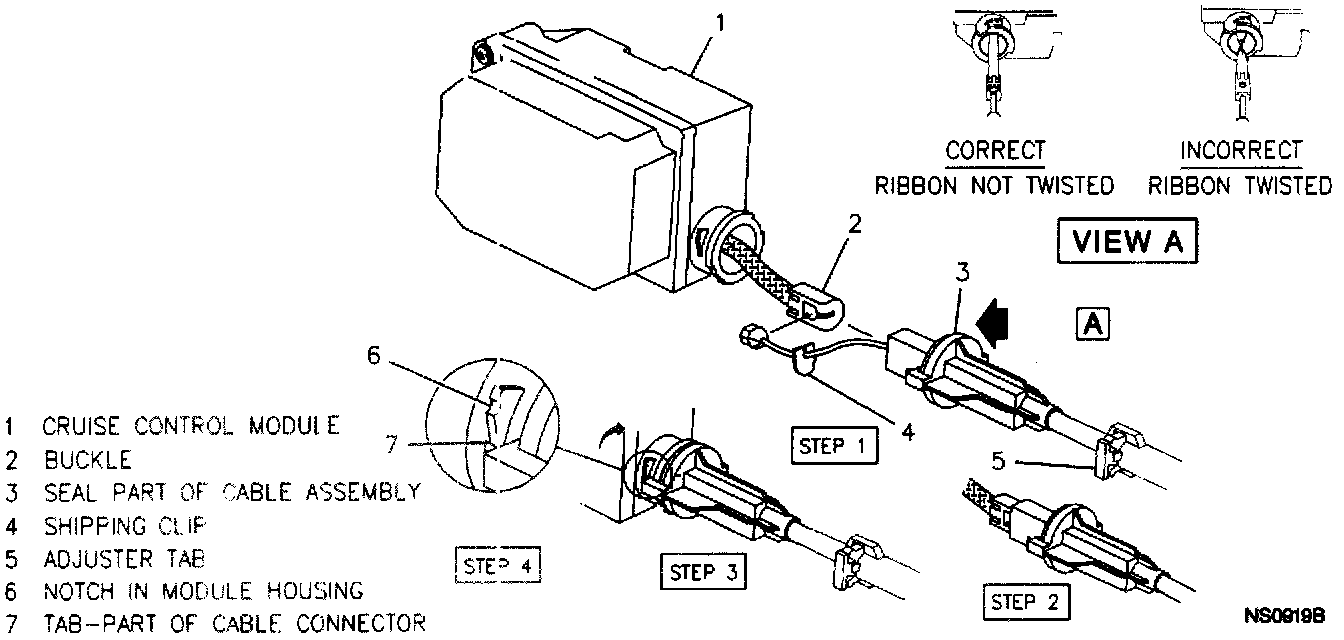
Ribbon To Cruise Control Module:
Remove or Disconnect
1. (LN2 ONLY) Accelerator control cable splash shield. (LD9 ONLY) Air Intake duct assembly.
2. Cruise control cable tab from TBI cam. Rotate throttle body cam to 1/4 open throttle to release tab.
3. Push locating fitting inward to release cable and pull from bracket.
4. Cable assembly from module by 1/4 turn counter-clockwise.
5. Cable from ribbon.
Install or Connect
1. Cable to ribbon.
2. Cable assembly to module by 1/4 turn clockwise.
3. Cruise control cable tab to TBI cam.
4. Align cruise control cable fitting to TBI bracket and snap into place.
5. (LN2 ONLY) Accelerator control cable splash shield. (LD9 ONLY) Air intake duct assembly.
6. Adjust cruise control cable.