Curiosii for ever!
: Car repair manuals for everyone.
Home
>>
Pontiac
>>
1997
>>
Grand Prix V6-3.8L SC VIN 1
>>
Repair and Diagnosis
>>
Powertrain Management
>>
Computers and Control Systems
>>
Transmission Position Sensor/Switch
>>
Locations
>>
Component Locations
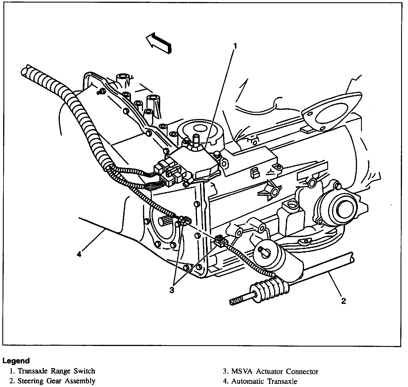
Component Locations
LH Rear Of Engine:
LH Side Of Engine: