Curiosii for ever!
: Car repair manuals for everyone.
Home
>>
Pontiac
>>
1997
>>
Grand Prix V6-3.8L SC VIN 1
>>
Repair and Diagnosis
>>
Locations
>>
Component Locations
>>
Modules
>>
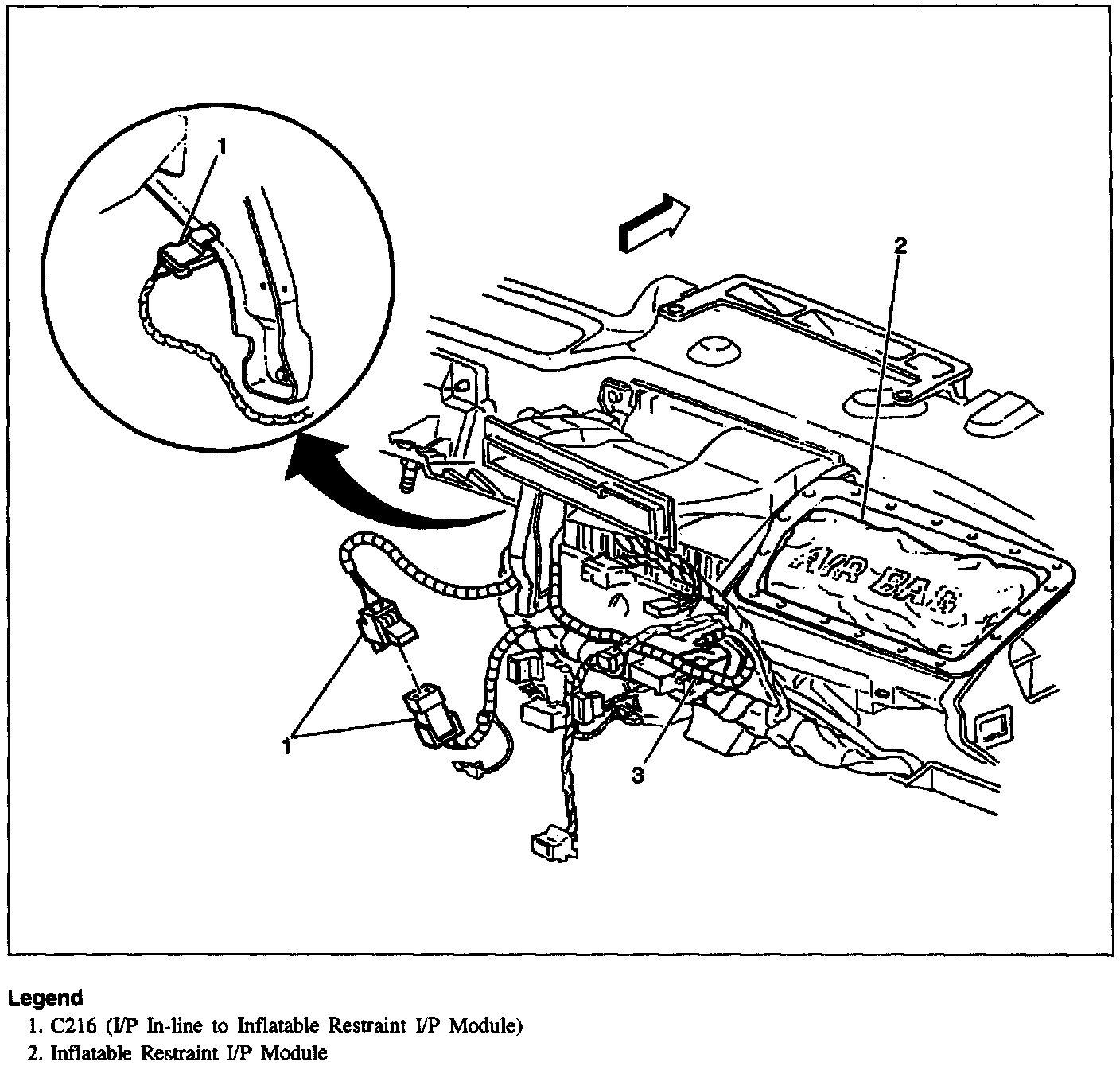
Inflatable Restraint I/P Module
Inflatable Restraint I/P Module
I/P: