Curiosii for ever!
: Car repair manuals for everyone.
Home
>>
Pontiac
>>
1997
>>
Grand Prix V6-3.8L SC VIN 1
>>
Repair and Diagnosis
>>
Heating and Air Conditioning
>>
Control Module HVAC
>>
Locations
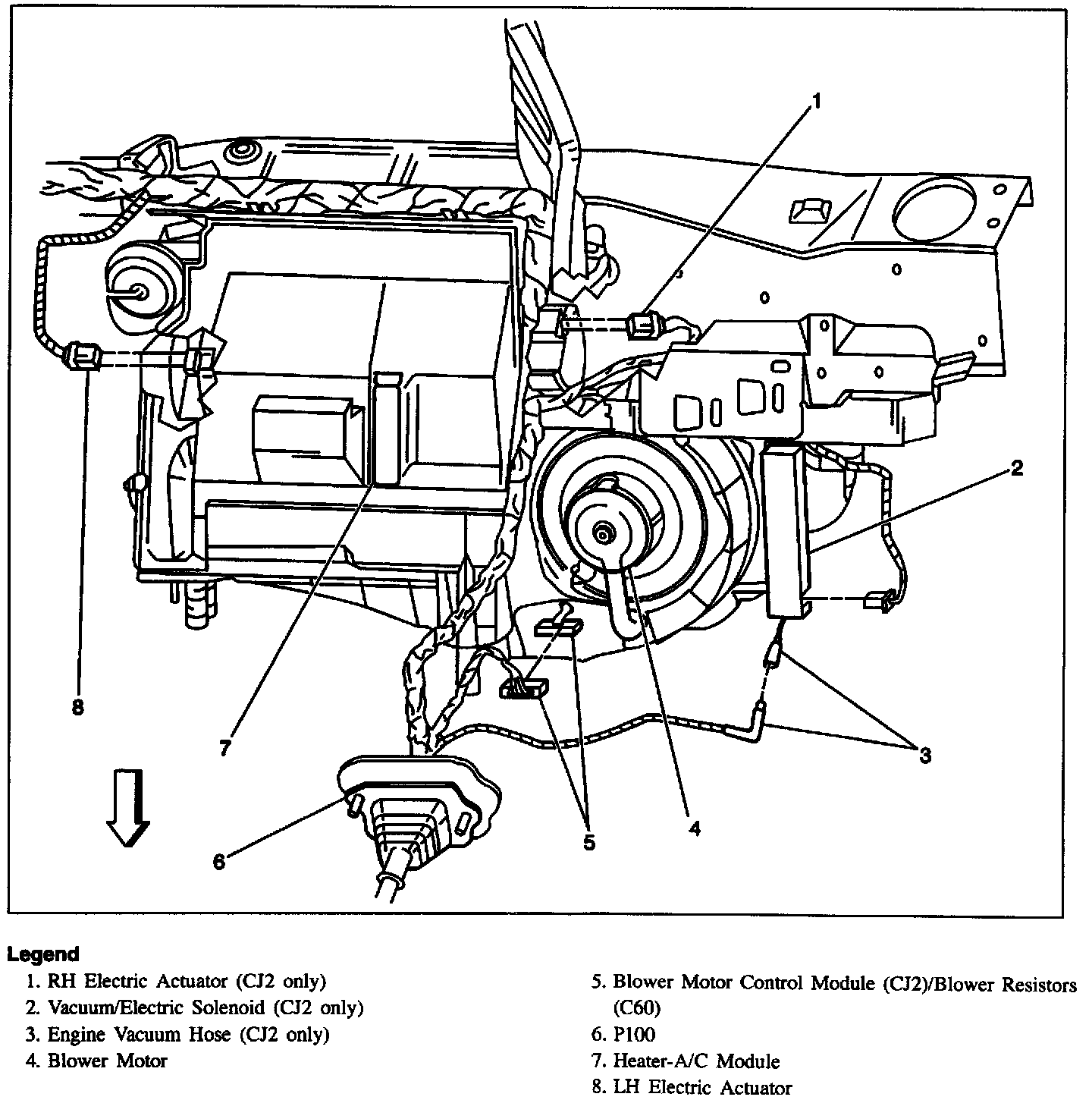
Control Module HVAC: Locations
Behind Center Of I/P (CJ2 Shown, C60 Similar):