Curiosii for ever!: Car repair manuals for everyone.

Heater Core: Service and Repair

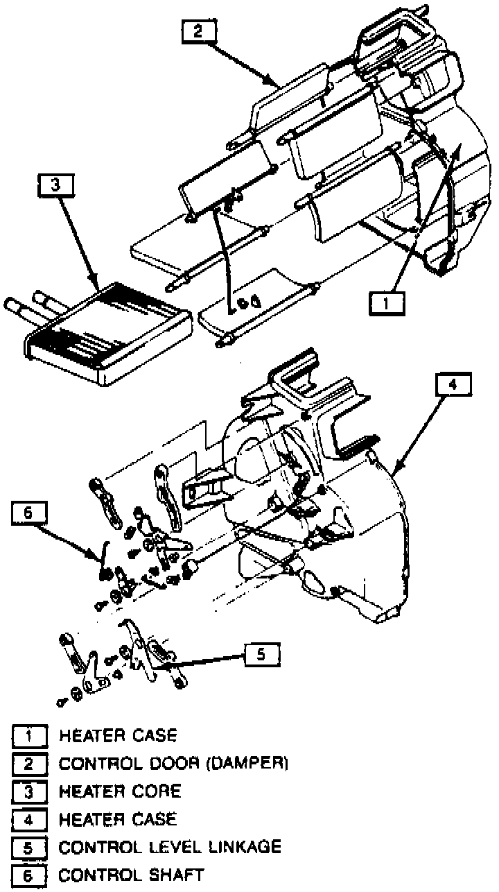
Fig. 15 Heater Case Attaching Bolt & Nut Locations.:




Fig. 16 Exploded View Of Heater Case Assembly.:






1. Disconnect battery ground cable
2. Remove instrument panel as outlined under Dash Panel Service. Refer to Instrument Panel, Gauges and Warning Indicators.
3. Drain coolant into suitable container.
4. Remove heater core clamps and hoses, through engine compartment.
5. Remove blower case to heater case air duct.
6. Remove heater case attaching nuts and bolts, Fig. 15 then remove case.
7. Remove heater case clip and two attaching screws, then separate case halves, Fig. 16 .
8. Remove heater core from case.
9. Reverse procedure to install. Torque heater case attaching nuts and bolts to 89 lb in