Curiosii for ever!
: Car repair manuals for everyone.
Home
>>
Pontiac
>>
1994
>>
Firebird V6-204 3.4L
>>
Repair and Diagnosis
>>
Relays and Modules
>>
Relays and Modules - Restraints and Safety Systems
>>
Air Bag Control Module
>>
Locations
>>
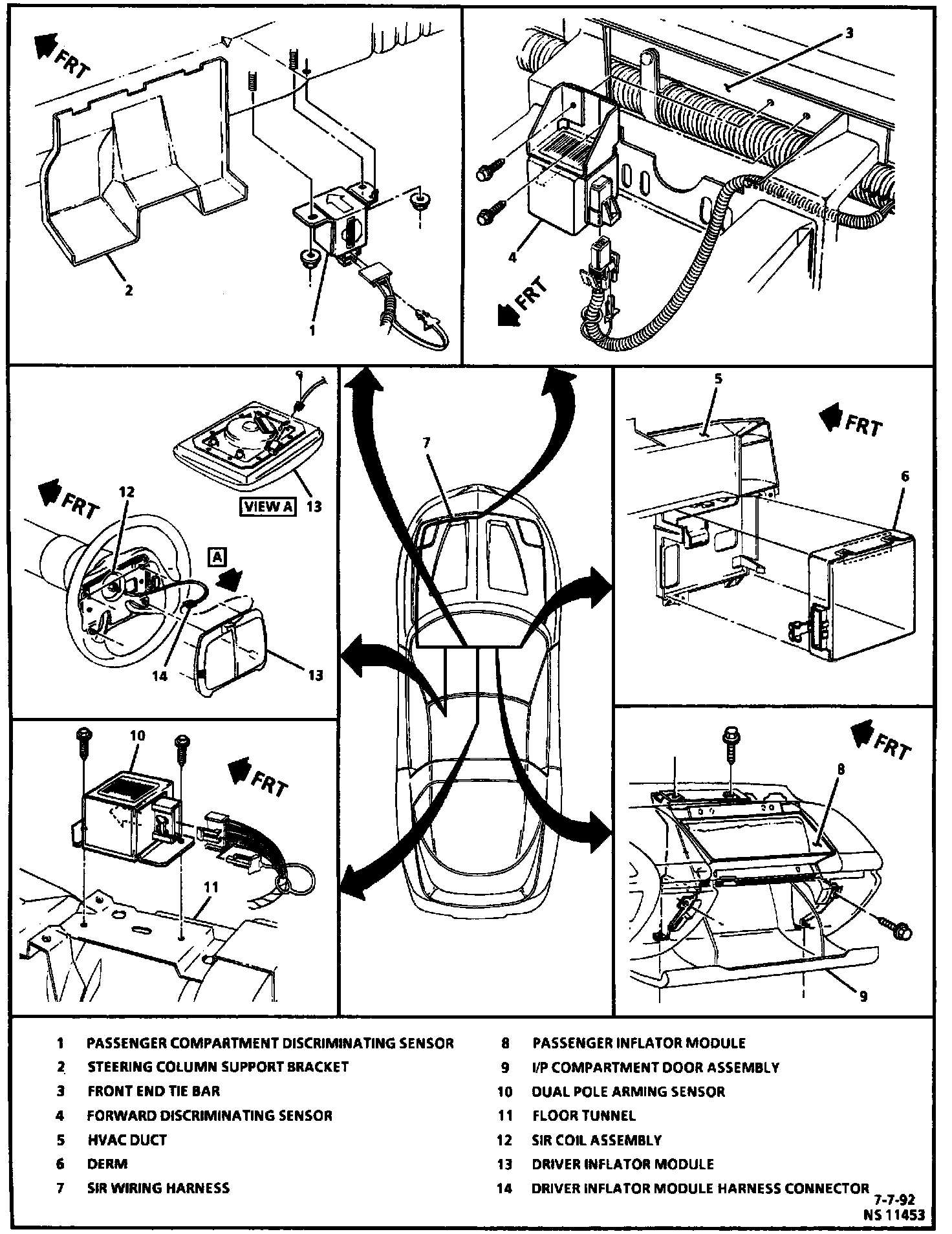
System Component Locations
System Component Locations
Location: