Curiosii for ever!: Car repair manuals for everyone.

Air Injection: Testing and Inspection


AIR PUMP

TEST DESCRIPTION:

1. Remove the hose from A.I.R. Injection Manifold Check Valve prior to starting the engine. Start engine and accelerate to approximatley 1500 rpm and observe air flow from hose. If air flow increases as the engine speed increases, the air pump is OK. If not proceed as follows:
2. Check to make sure air pump is not seized.
3. Check for proper drive belt tension.
4. Check air pump for leaking pressure relief valve. Air leakage may be heard from this valve with engine running.
5. Check hoses, tubes, and connections for proper routing and no leakage.
6. Check air injection pump for proper mounting.


CHECK VALVE

TEST DESCRIPTION:

Whenever a hose is removed from a check valve, the check valve should be inspected. Replace the check valve if the hose shows signs of exhaust gas contamination. Little or no air should be felt coming from check valve with engine running at idle. Air should flow freely through the valve towards the engine cylinder head (one direction only).


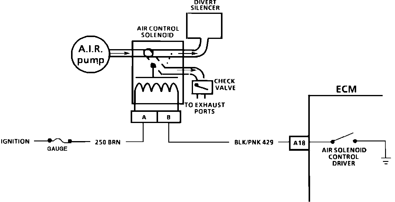
Control Valve Schematic:






AIR MANAGEMENT CHECK (ELECTRONIC AIR CONTROL DIVERT VALVE)

CIRCUIT DESCRIPTION:

This system has a single bed converter, and the air management is controlled by an air control valve (diverter valve).
When the ECM grounds the circuit, the solenoid causes the valve to direct air to the exhaust ports. When de-energized, air diverts to the atmosphere, and air will be diverted to the ports provided that the valve has grounded at the ECM, and good manifold vacuum exists.

Chart C-6:







TEST DESCRIPTION: The numbers below refer to circled numbers on the diagnostic chart.

1. This is a system performance test. When the vehicle goes into "Closed Loop", air will switch from the ports and divert.
2. Tests for a grounded electric divert circuit. Normal system light will be "OFF".
3. Checks for an open control circuit. Grounding the diagnostic terminal will energize the solenoid, if the ECM and circuits are normal. In this step, if the test light is "ON", circuits are normal and the fault is in the valve connections or valve.

NOTE: Once the test sequence is completed, clear codes and verify NO "SERVICE ENGINE SOON" light exists.