Curiosii for ever!
: Car repair manuals for everyone.
Home
>>
Pontiac
>>
1991
>>
Grand Prix V6-191 3.1L
>>
Repair and Diagnosis
>>
Powertrain Management
>>
Diagrams
>>
Electrical Diagrams
>>
Electronic/Powertrain Control Module (ECM/PCM)
>>
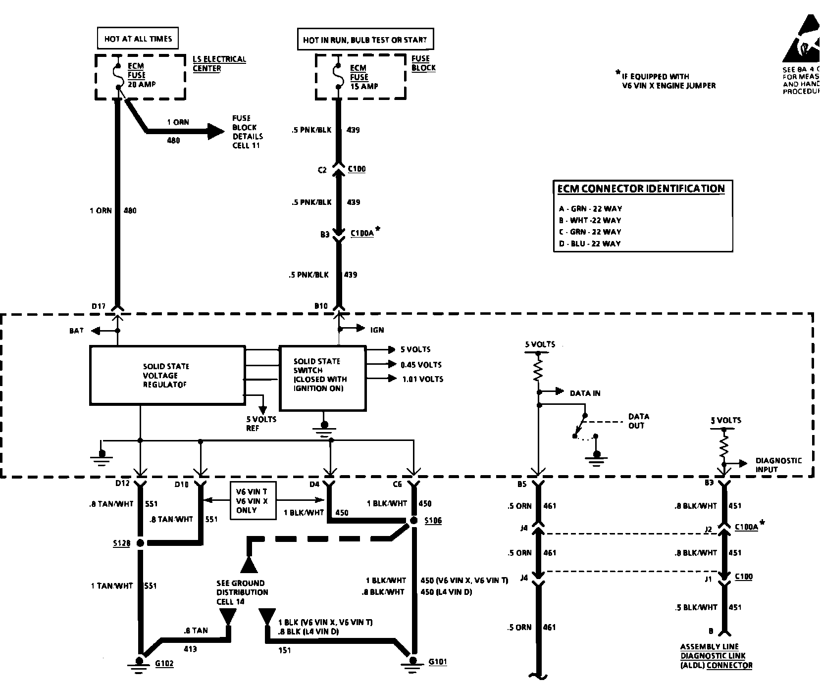
ECM Inputs/Outputs
ECM Inputs/Outputs
Electronic Control Module:
Electronic Control Module: