Curiosii for ever!: Car repair manuals for everyone.

Remove

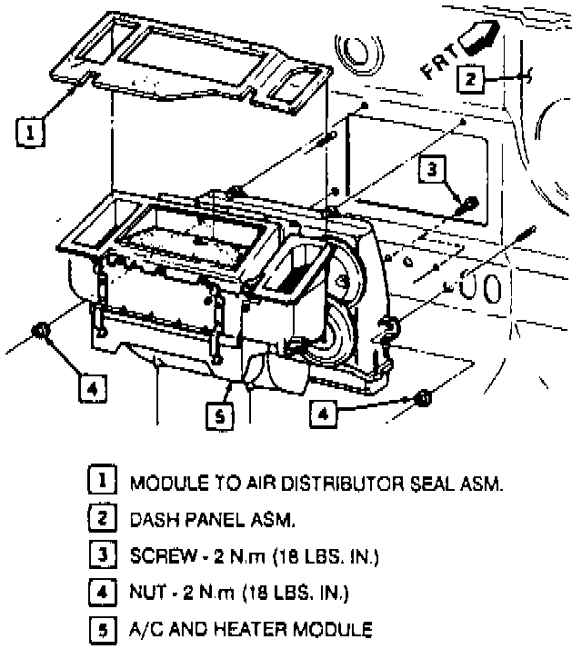
Heater And Evaporator Module (1 Of 2):




Heater And Evaporator Module (2 Of 2):




Heater And Evaporator Module To Dash:




REMOVE OR DISCONNECT
1. Drain cooling system.
2. Hoist vehicle.
3. Heater hoses at core.
4. Drain tube.
5. Lower vehicle.
6. Right and left sound insulator.
7. Floor air outlet duct and hoses.
8. Heater core cover.
9. Heater core.