Curiosii for ever!: Car repair manuals for everyone.

Starter Motor: Service and Repair


Fig. 1 Torque Converter Cover Modification. 1991 Models With 5.7L Engine:




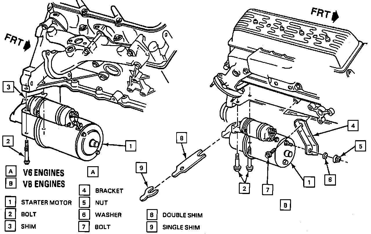
Fig. 2 Started Motor Replacement:






If shims are used between starter and engine block, they should be placed in their original location during installation. If starter is noisy during cranking, remove one .015 inch double shim or add one .015 single shim to the outer bolt. If starter makes a high pitched whine after firing, add .015 inch double shims until noise ceases.
On 1991 models with 5.0L/V8-305 (VIN E) engine, if a clicking or rattling noise is present in the flywheel area with engine running, check for interference between starter motor and torque converter cover. This interference may cause converter cover to contact flywheel. The noise may be more noticeable when engine is cold. To correct this condition, remove torque converter cover and check cover opening, Fig 1. The width of the starter motor opening should be 2.8 inches. If opening is less than 2.8 inch, remove sufficient material from cover with a utility knife to increase opening width to 2.8 inches, Fig. 1. Reinstall torque converter cover.
1. Disconnect battery ground cable.
2. Raise and support vehicle.
3. Remove starter to engine brace and starter heat shields, if equipped.
4. Remove flywheel housing cover.
5. Remove starter mounting bolts and lower starter. Note position of shims, if used, Fig. 2.
6. Disconnect solenoid wires and the battery cable.
7. Remove starter from vehicle.
8. Reverse procedure to install.