Curiosii for ever!
: Car repair manuals for everyone.
Home
>>
Pontiac
>>
1989
>>
Grand Prix V6-173 2.8L
>>
Repair and Diagnosis
>>
Diagrams
>>
Components
>>
Miscellaneous Components
>>
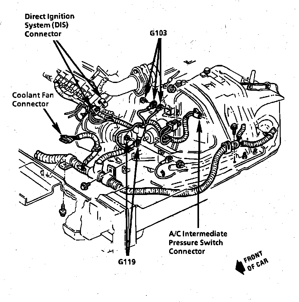
Direct Ignition System
Direct Ignition System
Direct Ignition System Connector.:
Lower LH Front Of Engine
Applicable to: 1989 Grand Prix w/V6-173/2.8L