Curiosii for ever!: Car repair manuals for everyone.

Exhaust Gas Recirculation: Testing and Inspection

Chart C-7A - EGR Check:




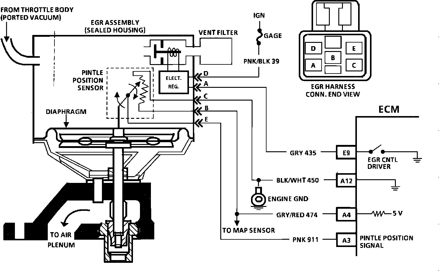
Wiring Diagram for EGR Check:






CIRCUIT DESCRIPTION
The Integrated Electronic Exhaust Gas Recirculation (EGR) valve functions similar to a port valve with a remote vacuum regulator. The internal solenoid is normally open, which causes the vacuum signal to be vented to the atmosphere when EGR is not being commanded by the ECM. This EGR valve has a sealed cap and the solenoid valve opens and closes the vacuum signal, which controls the amount of vacuum vented to atmosphere, and this controls the amount of vacuum applied to the diaphragm. The electronic EGR valve contains a voltage regulator, which converts the ECM signal, to provide different amounts of EGR flow by regulating the current to the solenoid. The ECM controls EGR flow with a pulse width modulated signal (turns "ON" and "OFF" many times a second) based on Airflow, Throttle Position Sensor (TPS), and RPM.
This system, also, contains a pintle position sensor, which works similar to a TPS sensor, and as EGR flow is increased, the sensor output also increases.


TEST DESCRIPTION
Numbers below refer to circled numbers on the diagnostic chart.

1. Whenever the solenoid is de-energized, the solenoid valve should be closed, which should not allow the vacuum to move the EGR diaphragm. However, if the filter is plugged, the vacuum applied with the hand held vacuum pump will cause the diaphragm to move because the vacuum will not be vented to the atmosphere.
2. This test will determine if the EGR filter is plugged, or if the EGR itself is faulty. Use care, when removing the filter, to avoid damaging the EGR assembly.
3. If the valve moves in this test, it's probably due to circuit 435 being shorted to ground.
4. Grounding the diagnostic terminal should energize the solenoid which closes off the vent and allows the vacuum to move the diaphragm.
5. The EGR assembly is designed to have some leak and, therefore, 7" of vacuum is all that should be able to be held on the assembly. However, if too much of a leak exists (less than 4"), the EGR assembly is leaking and must be replaced.

DIAGNOSTIC AIDS
The EGR position voltage can be used to determine that the pintle is moving. When no EGR is commanded (0% duty cycle), the position sensor should read between 0.5 volt and 1.5 volts, and increase with the commanded EGR duty cycle.