Curiosii for ever!
: Car repair manuals for everyone.
Home
>>
Pontiac
>>
1988
>>
Firebird V8-350 5.7L
>>
Repair and Diagnosis
>>
Powertrain Management
>>
Ignition System
>>
Knock Sensor
>>
Locations
>>
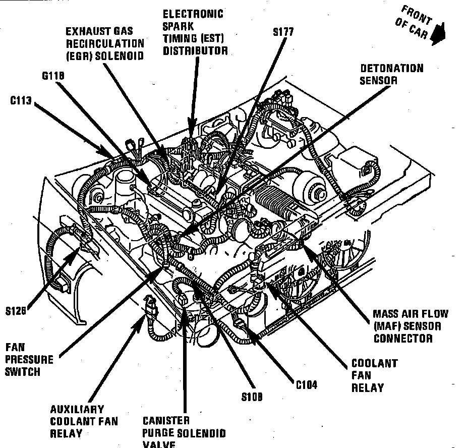
Detonation Sensor
Detonation Sensor
Engine Compartment.:
Lower RH Side Of Engine, Near Starter Solenoid
Applicable to: V8-305/5.0L (VIN F) & V8-350/5.7L Engines