Curiosii for ever!
: Car repair manuals for everyone.
Home
>>
Pontiac
>>
1987
>>
Bonneville V6-231 3.8L
>>
Repair and Diagnosis
>>
Starting and Charging
>>
Specifications
Starting and Charging: Specifications
BATTERY SPECIFICATIONS
ALTERNATOR
SPECIFICATIONS
ALTERNATOR
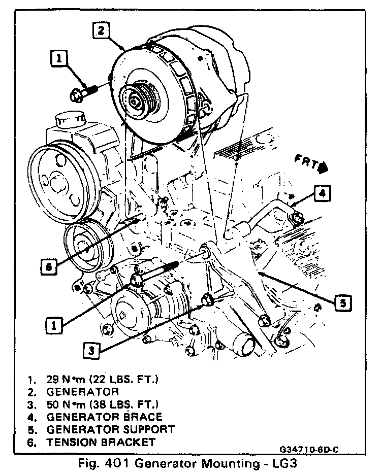
TORQUE SPECIFICATIONS
STARTER SPECIFICATIONS